Датчик остановки конвейера INNOLEVEL IL-RES-N температура - 75°C, корпус - алюминий, напряжение - 250В, IP65, 2 релейных выхода

Артикул: D070-11625   

О товаре

Артикул:
D070-11625
Бренд:
INNOLEVEL
Страна производитель:
Россия
Присоединительный размер:
не указано
G1 1/2
Рабочее давление:
не указано
Материал корпуса:
Алюминий
Все характеристики
на 2026-03-31
17 047,06
Гарантия 12 месяцев
Возможна отсрочка до 90 дней
В избранное
Бесплатная доставка до ТК
Сертифицированный товар

Характеристики

Датчик остановки конвейера INNOLEVEL серии RES предназначен для остановки конвейера или прочего оборудования, приводится в действие металлическим тросом, протянутым вдоль конвейера. При воздействии на трос в любой точке на всем протяжении конвейера датчик выдает сигнал на остановку конвейера. Датчик остановки конвейера INNOLEVEL серии RES работает в двух направлениях, к рычагу сверху и снизу к проушинам закрепляются тросы, идущие из противоположных направлений. После срабатывания датчик остановки конвейера INNOLEVEL серии RES приводится в рабочее положение вручную с помощью соответствующего рычага.

Технические параметры датчика остановки конвейера INNOLEVEL IL-RES-N

  • Тип изделия - датчики
  • Материал корпуса - Алюминий
  • Класс материала корпуса - Алюминий
  • Тип датчиков - датчики конвейерной безопасности
  • Подтип датчиков - датчики остановки
  • Напряжение питания - 250В
  • Номинальный потребляемый ток - 10 А
  • Температура рабочей среды - от -40 до 75 °C
  • Температура окружающей среды - от -40 до 75 °C
  • Кабельный ввод - 2 х М20х1,5
  • Степень защиты корпуса IP - 65
  • Страна производитель - Россия
  • Бренд - INNOLEVEL
  • Срок службы - 8 лет
  • Гарантия - 1 г.
  • Вес - 2.5 кг
Датчик остановки конвейера INNOLEVEL IL-RES-N температура - 75°C, корпус - алюминий, напряжение - 250В, IP65, 2 релейных выхода

Изображение датчика остановки конвейера INNOLEVEL IL-RES-N

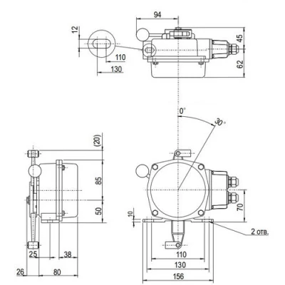
Габаритные и установочные размеры датчика остановки конвейера INNOLEVEL IL-RES-N

  • Ширина - 156 мм
Датчик остановки конвейера INNOLEVEL IL-RES-N температура - 75°C, корпус - алюминий, напряжение - 250В, IP65, 2 релейных выхода

Эскиз габаритов датчика остановки конвейера INNOLEVEL IL-RES-N

Аналоги

График сравнения цен аналогичных датчиков*. При клике на точку графика получите развернутую информацию.

*Датчики подобраны по следующим параметрам: Тип датчиков - датчики конвейерной безопасности, температура рабочей среды максимальная - 75 °С, материал корпуса - Алюминий

21,000
16,800
12,600
8,400
4,200
0
INNOLEVEL
Серия BMS
INNOLEVEL
Серия RES
INNOLEVEL
Серия BHS-M
INNOLEVEL
Серия BWS
INNOLEVEL
Серия BHS

Доставка

Условия доставки:

Мы осуществляем доставку по Москве, Московской области, и другим регионам Российской Федерации.

Доставка по г.Москва (в пределах МКАД) и МО осуществляется собственным транспортом или курьером.

Доставка в другие регионы осуществляется при помощи транспортных компаний (СДЭК, Деловые линии, Байкал Сервис).

Самовывоз. Вы сможете самостоятельно забрать заказ оформив самовывоз с нашего склада или пункта выдачи заказов.

Быстрый заказ

Вы можете отправить нам запрос на необходимые позиции и наш менеджер свяжется с вами в ближайшее время для формирования заказа

Нажмите, чтобы загрузить файлы или перетащите сюда
Максимальный размер файла - 10 Мб. Типы файлов: jpg, jpeg, png, xls, xlsx, doc, docx, pdf.