Энкодеры абсолютные Autonics EPM50S8-S Ду50 многооборотные, NPN с открытым коллектором, двоичный код, выступающий вал - 8мм, разрешение - 1024/8192имп/об, напряжение - 12-24В, IP50, кабель сбоку - 2м

NY2026 - all categories (2)
NY2026 - all categories (2)-mobile
Aquaflame 2026 (2)
Aquaflame 2026 (2)-mobile
СТМ многоступенчатые насосы 2
СТМ многоступенчатые насосы 2-mobile
КИПиА Акваконтроль 2
КИПиА Акваконтроль 2-mobile

Многооборотные энкодеры Autonics серии EPM50S применяются для определения абсолютного положения на машинах и установках в различных отраслях промышленности.

Технические параметры энкодеров абсолютных Autonics EPM50S8-S

ХарактеристикаЗначение
Тип КИПиАдатчики
Тип датчиковэнкодеры
Подтипэнкодеры абсолютные
Степень защитыIP50
Температура окружающей средыот -10 °C до +70 °C
СтранаКорея
БрендAutonics
Энкодеры абсолютные Autonics EPM50S8-S Ду50 многооборотные, NPN с открытым коллектором, двоичный код, выступающий вал - 8мм, разрешение - 1024/8192имп/об, напряжение - 12-24В, IP50, кабель сбоку - 2м

Изображение энкодеров абсолютных Autonics EPM50S8-S

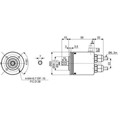
Габаритные и установочные размеры энкодеров абсолютных Autonics EPM50S8-S

МодельШирина, ммВысота, ммГлубина, мм
EPM50S8-1013-B-PN-24-S915050
Энкодеры абсолютные Autonics EPM50S8-S Ду50 многооборотные, NPN с открытым коллектором, двоичный код, выступающий вал - 8мм, разрешение - 1024/8192имп/об, напряжение - 12-24В, IP50, кабель сбоку - 2м

Эскиз габаритов энкодеров абсолютных Autonics EPM50S8-S

Быстрый заказ

Вы можете отправить нам запрос на необходимые позиции и наш менеджер свяжется с вами в ближайшее время для формирования заказа

Нажмите, чтобы загрузить файлы или перетащите сюда
Максимальный размер файла - 10 Мб. Типы файлов: jpg, jpeg, png, xls, xlsx, doc, docx, pdf.