Энкодеры инкрементальные Autonics E58SS6-CR Ду58 выступающий вал - 6мм, синхрофланец, разрешение - 2500имп/об, напряжение - 5В, IP50, разъем сзади

NY2026 - all categories (2)
NY2026 - all categories (2)-mobile
Aquaflame 2026 (2)
Aquaflame 2026 (2)-mobile
СТМ многоступенчатые насосы 2
СТМ многоступенчатые насосы 2-mobile
КИПиА Акваконтроль 2
КИПиА Акваконтроль 2-mobile

Инкрементальные энкодеры Autonics серии E58 точно замеряют угол перемещения объекта и преобразуют в электрический импульс. В основе работы датчиков находится оптический инкрементальный принцип.

Технические параметры энкодеров инкрементальных Autonics E58SS6-CR

ХарактеристикаЗначение
Тип КИПиАдатчики
Тип датчиковэнкодеры
Подтипэнкодеры инкрементальные
Степень защитыIP50
Температура окружающей средыот -10 °C до +70 °C
СтранаКорея
БрендAutonics
Энкодеры инкрементальные Autonics E58SS6-CR Ду58 выступающий вал - 6мм, синхрофланец, разрешение - 2500имп/об, напряжение - 5В, IP50, разъем сзади

Изображение энкодеров инкрементальных Autonics E58SS6-CR

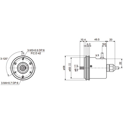
Габаритные и установочные размеры энкодеров инкрементальных Autonics E58SS6-CR

МодельШирина, ммВысота, ммГлубина, мм
E58SS6-2500-6-L-5-CR83.55858
Энкодеры инкрементальные Autonics E58SS6-CR Ду58 выступающий вал - 6мм, синхрофланец, разрешение - 2500имп/об, напряжение - 5В, IP50, разъем сзади

Эскиз габаритов энкодеров инкрементальных Autonics E58SS6-CR

Быстрый заказ

Вы можете отправить нам запрос на необходимые позиции и наш менеджер свяжется с вами в ближайшее время для формирования заказа

Нажмите, чтобы загрузить файлы или перетащите сюда
Максимальный размер файла - 10 Мб. Типы файлов: jpg, jpeg, png, xls, xlsx, doc, docx, pdf.