Энкодеры абсолютные Autonics EP58SC10 Ду58 однооборотные, NPN с открытым коллектором, двоичный код, увеличение значения по/против часовой стрелки, выступающий вал - 10мм, разрешение - 360имп/об, напряжение - 12-24В, IP50, кабель сзади - 2м

NY2026 - all categories (2)
NY2026 - all categories (2)-mobile
Aquaflame 2026 (2)
Aquaflame 2026 (2)-mobile
СТМ многоступенчатые насосы 2
СТМ многоступенчатые насосы 2-mobile
КИПиА Акваконтроль 2
КИПиА Акваконтроль 2-mobile

Энкодеры Autonics серии EP58 - высоконадежные датчики углового перемещения ведущего европейского производителя Autonics.

Технические параметры энкодеров абсолютных Autonics EP58SC10

ХарактеристикаЗначение
Тип КИПиАдатчики
Тип датчиковэнкодеры
Подтипэнкодеры абсолютные
Степень защитыIP50
Температура окружающей средыот -10 °C до +70 °C
СтранаКорея
БрендAutonics
Энкодеры абсолютные Autonics EP58SC10 Ду58 однооборотные, NPN с открытым коллектором, двоичный код, увеличение значения по/против часовой стрелки, выступающий вал - 10мм, разрешение - 360имп/об, напряжение - 12-24В, IP50, кабель сзади - 2м

Изображение энкодеров абсолютных Autonics EP58SC10

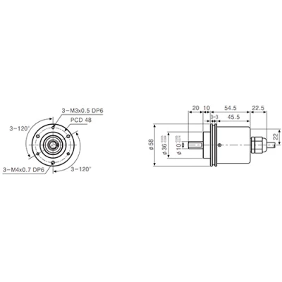
Габаритные и установочные размеры энкодеров абсолютных Autonics EP58SC10

МодельШирина, ммВысота, ммГлубина, мм
EP58SC10-360-2F-N-241075858
EP58SC10-360-2R-N-241075858
Энкодеры абсолютные Autonics EP58SC10 Ду58 однооборотные, NPN с открытым коллектором, двоичный код, увеличение значения по/против часовой стрелки, выступающий вал - 10мм, разрешение - 360имп/об, напряжение - 12-24В, IP50, кабель сзади - 2м

Эскиз габаритов энкодеров абсолютных Autonics EP58SC10

Быстрый заказ

Вы можете отправить нам запрос на необходимые позиции и наш менеджер свяжется с вами в ближайшее время для формирования заказа

Нажмите, чтобы загрузить файлы или перетащите сюда
Максимальный размер файла - 10 Мб. Типы файлов: jpg, jpeg, png, xls, xlsx, doc, docx, pdf.