Редукторы четвертьоборотные DN.ru HARC RQNx-xZ-x
Сортировать по:
актуальности
 Поделиться ссылкой на подборку 
Редуктор четвертьоборотный DN.ru HARC RQN1-1620Z-T38 корпус - высокопрочный чугун EN-GJS-450-10/ВЧ45
Артикул: D240-01059
Производитель: DN.ru, Россия
Тип редуктора: редуктор
Обороты редуктора: Четвертьоборотный
Крутящий момент: 1 620 Нм
Передаточное отношение: 38:1
Класс материала корпуса: чугун
Диаметр штурвала: 600 мм
Тип ISO-фланца: F14
Форма вала: 36х36 мм
Вес: 20 кг
на 2025-10-31
38 226,75
₽
Редуктор четвертьоборотный DN.ru HARC RQN2-2640Z-T55 корпус - высокопрочный чугун EN-GJS-450-10/ВЧ45
Артикул: D240-01060
Производитель: DN.ru, Россия
Тип редуктора: редуктор
Обороты редуктора: Четвертьоборотный
Крутящий момент: 2 640 Нм
Передаточное отношение: 55:1
Класс материала корпуса: чугун
Диаметр штурвала: 600 мм
Тип ISO-фланца: F14
Форма вала: 42х42 мм
Вес: 26 кг
на 2025-10-31
50 512,79
₽
| Редукторы четвертьоборотные DN.ru HARC RQNx-xZ-x | ||||||||||||||||||||||||||||||||||||||||||||||||||||
| Редуктор DN.ru позволяет вручную устанавливать необходимое позиционирование запорного органа на четверть оборота, выступая в качестве альтернативы пневматическим, электрическим или гидравлическим четвертьоборотным приводам. Подходит как для внутренней, так и для наружной установки. | ||||||||||||||||||||||||||||||||||||||||||||||||||||
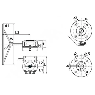
| Габаритные и установочные размеры редуктора DN.ru HARC RQNx-xZ-x:
 |   Эскиз редуктора DN.ru HARC RQNx-xZ-x | |||||||||||||||||||||||||||||||||||||||||||||||||||
Быстрый заказ
Вы можете отправить нам запрос на необходимые позиции и наш менеджер свяжется с вами в ближайшее время для формирования заказа
Нажмите, чтобы загрузить файлы или перетащите сюда
 Максимальный размер файла - 10 Мб. Типы файлов: jpg, jpeg, png, xls, xlsx, doc, docx, pdf. 









