Водонагреватель газовый проточный Baxi SIG-2 11P настенный, мощность - 21.8кВт, корпус - нержавеющая сталь, Tmax 185°C

Артикул: D020-00500   

О товаре

Артикул: D020-00500
Бренд: Baxi
Модель: SIG-2 P
Страна производитель: Италия
Тип водонагревателя: газовый проточный
Объем: 11 л
Производительность: 11 л/мин
Управление: механическое
Тип крепления: настенный
Ориентация: вертикальный
Все характеристики
на 2026-04-01
21 412,83
Гарантия 12 месяцев
Возможна отсрочка до 90 дней
В избранное
Бесплатная доставка до ТК
Сертифицированный товар
Другие объемы

Характеристики

Газовые проточные водонагреватели предназначены для быстрого приготовления горячей воды для бытового применения. Они сочетают в себе надежность, компактность, простоту установки и обслуживания, а также являются идеальным решением для установки в домах без центральной системы ГВС и замены устаревших газовых колонок.

Технические характеристики водонагревателя газового проточного Baxi SIG-2 11P

  • Тип водонагревателя - газовый проточный
  • Модель - 11P
  • Бренд - Baxi
  • Страна производитель - Италия
  • Тип крепления - настенный
  • Тип присоединения - Настенное
  • Материал корпуса - нержавеющая сталь
  • Объем - 11 л
  • Производительность - 654 л/час
  • Производительность - 11 л/мин
  • Номинальная мощность - 21800 Вт
  • Управление - механическое
  • Мощность - 21.8 кВт
  • Ориентация - вертикальный
  • Температура нагрева воды max - 185°C
  • Давление воды max - 10 бар
  • Вес - 10.6 кг
Водонагреватель газовый проточный Baxi SIG-2 11P настенный, мощность - 21.8кВт, корпус - нержавеющая сталь, Tmax 185°C

Изображение водонагревателя газового проточного Baxi SIG-2 11P

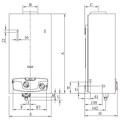
Габаритные и установочные размеры водонагревателя газового проточного Baxi SIG-2 11P

  • A - 592 мм
  • B - 110 мм
  • C - 101 мм
  • D - 245 мм
  • E - 314 мм
  • F - 128 мм
  • G - 54 мм
  • H - 84 мм
  • I - 27 мм
  • L - 50 мм
  • M - 30 мм
Водонагреватель газовый проточный Baxi SIG-2 11P настенный, мощность - 21.8кВт, корпус - нержавеющая сталь, Tmax 185°C

Эскиз водонагревателя газового проточного Baxi SIG-2 11P

Деталировка водонагревателя газового проточного Baxi SIG-2 11P

Наименование
1Устройство контроля тяги
2Патрубок дымоудаления
3Теплообменник
4Запальная горелка
5Горелка
6Гидравлический клапан
7Регулятор температуры
8Газовый клапан
9Вход газа
10Регулятор давления газа
11Кнопка пьезорозжига
12Экономайзер
13Штуцер для замера давления газа
14Электрод розжига
15Термопара
Водонагреватель газовый проточный Baxi SIG-2 11P настенный, мощность - 21.8кВт, корпус - нержавеющая сталь, Tmax 185°C

Эскиз деталировки водонагревателя газового проточного Baxi SIG-2 11P

Аналоги

График сравнения цен аналогичных водонагревателей газовых проточных*. При клике на точку графика получите развернутую информацию.

*Водонагреватели газовые проточные подобраны по следующим параметрам: Тип водонагревателя - газовый проточный, производительность - 11 л/мин, управление - механическое

27,000
21,600
16,200
10,800
5,400
0
Baxi
SIG-2 P
Baxi
SIG-2 I

Доставка

Условия доставки:

Мы осуществляем доставку по Москве, Московской области, и другим регионам Российской Федерации.

Доставка по г.Москва (в пределах МКАД) и МО осуществляется собственным транспортом или курьером.

Доставка в другие регионы осуществляется при помощи транспортных компаний (СДЭК, Деловые линии, Байкал Сервис).

Самовывоз. Вы сможете самостоятельно забрать заказ оформив самовывоз с нашего склада или пункта выдачи заказов.

Быстрый заказ

Вы можете отправить нам запрос на необходимые позиции и наш менеджер свяжется с вами в ближайшее время для формирования заказа

Нажмите, чтобы загрузить файлы или перетащите сюда
Максимальный размер файла - 10 Мб. Типы файлов: jpg, jpeg, png, xls, xlsx, doc, docx, pdf.