Регулятор давления АДЛ Гранрег КАТ33 Ду100 Ру16 Kvs125 фланцевый, корпус - серый чугун СЧ25, уплотнение - EPDM, диапазон настройки - 0.8-3.2бар

Артикул: D230-04013   

Модификация

О товаре

Артикул: D230-04013
Бренд: АДЛ Гранрег
Страна производитель: Россия
Диаметр: Ду100
Давление номинальное: 16 бар
Тип присоединения: Фланцевый
Материал корпуса: Чугун серый GG25/СЧ25/EN-GJL-250
Максимальная температура: 200 ℃
Применение: вентиляция и стационарное кондиционирование, водоснабжение, отопительные установки, теплоснабжение
Срок службы: 10 лет
Среда: вода, воздух, пар, нейтральные среды
Все характеристики
на 2024-04-05
6 434,28
Гарантия 12 месяцев
Возможна отсрочка до 90 дней
В избранное
Бесплатная доставка до ТК
Сертифицированный товар

Характеристики

Регулятор перепада давления КАТЗЗ — односедельный клапан прямого действия, предназначенный для автоматического поддержания заданного перепада давления рабочей среды между двумя точками в системах отопления, горячего водоснабжения тепловых пунктах. Клапан устанавливается на подающем или обратном трубопроводе, при повышении разности давлений клапан закрывается. Регулятор перепада давления КАТЗЗ представляет собой нормально открытый регулирующий клапан, принцип действия которого основан на уравновешивании силы пружины и силы, создаваемой разностью давлений рабочей среды в мембранных камерах привода.Клапан предназначен для воды, пара, воздуха и других нейтральных газов. Рабочая температура для воды t° до +150 °С, пара t° до +200 °С, воздуха t° до +80 °С

Технические параметры регулятора давления АДЛ Гранрег КАТ33 Ду100 Ру16

  • Бренд - АДЛ Гранрег
  • Тип регулятора - регулятор перепада
  • Давление номинальное - 16 бар
  • Диаметр номинальный - 100 мм
  • Среда - вода, воздух, пар, нейтральные среды
  • Применение - вентиляция и стационарное кондиционирование, водоснабжение, отопительные установки, теплоснабжение
  • Температура окружающей среды минимальная - от -10 °C
  • Температура окружающей среды максимальная - до +40 °C
  • Диапазон регулировки - 0,08 – 0,32 Мпа
  • Класс герметичности - IV
  • Климатическое исполнение - У 3.1
  • Материал корпуса - Чугун серый GG25/СЧ25/EN-GJL-250
  • Уплотнение - EPDM
  • Срок службы - 10 лет
  • Страна производитель - Россия
  • Вес - 52 кг
Регулятор давления АДЛ Гранрег КАТ33 Ду100 Ру16 Kvs125 фланцевый, корпус - серый чугун СЧ25, уплотнение - EPDM, диапазон настройки - 0.8-3.2бар

Изображение регулятора давления АДЛ Гранрег КАТ33 Ду100 Ру16

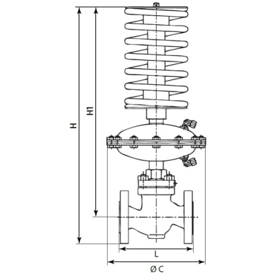
Габаритные и установочные размеры регулятора давления АДЛ Гранрег КАТ33 Ду100 Ру16

  • H1 - 615 мм
  • H - 723 мм
  • L - 350 мм
  • C - 215 мм
Регулятор давления АДЛ Гранрег КАТ33 Ду100 Ру16 Kvs125 фланцевый, корпус - серый чугун СЧ25, уплотнение - EPDM, диапазон настройки - 0.8-3.2бар

Эскиз регулятора давления АДЛ Гранрег КАТ33 Ду100 Ру16

Деталировка регулятора давления АДЛ Гранрег КАТ33 Ду100 Ру16

Наименование деталиМатериал
Корпус клапанаСерый чугун СЧ25
Плунжер и седлоНержавеющая сталь 20Х13
УплотненияEPDM
Корпус приводаУглеродистая сталь Ст20
ШтокНержавеющая сталь 20Х13
МембранаEPDM + полиэстровая ткань
Настроечный винтУглеродистая сталь Ст20
ПружиныПружинная сталь 60с2А

Паспорта и сертификаты

Аналоги

График сравнения цен аналогичных регуляторов*. При клике на точку графика получите развернутую информацию.

*Регуляторы подобраны по следующим параметрам: Тип регулятора - регулятор перепада, тип присоединения - Фланцевый, Ду100, Ру16, строительная длина - 350 мм, Класс материала корпуса - чугун, уплотнение - EPDM

486,000
388,800
291,600
194,400
97,200
0
DN.ru
PRD1030E-F-DA
DN.ru
PRD1030E-F-DA
DN.ru
PRD1030E-F-DA
DN.ru
PRD1030E-F-DA
Энерготехномаш
УРРД-НО-РПД Ру16 до 150°C 0.01-0.07МПа
Broen
Clorius-TD-56

Доставка

Условия доставки:

Мы осуществляем доставку по Москве, Московской области, и другим регионам Российской Федерации.

Доставка по г.Москва (в пределах МКАД) и МО осуществляется собственным транспортом или курьером.

Доставка в другие регионы осуществляется при помощи транспортных компаний (СДЭК, Деловые линии, Байкал Сервис).

Самовывоз. Вы сможете самостоятельно забрать заказ, оформив самовывоз с нашего склада или пункта выдачи заказов.

Быстрый заказ

Вы можете отправить нам запрос на необходимые позиции и наш менеджер свяжется с вами в ближайшее время для формирования заказа

Нажмите, чтобы загрузить файлы или перетащите сюда
Максимальный размер файла - 10 Мб. Типы файлов: jpg, jpeg, png, xls, xlsx, doc, docx, pdf.