Регуляторы после себя с пилотным управлением DN.ru PVA1-1313RR-F Ду50-200 Ру16, мембранные, корпус - чугун GGG40, диск - чугун GGG40, уплотнение - каучук натуральный армированный, присоединение - фланцевое
| Мембранный регулятор давления «после себя» с пилотным управлением предназначен для поддержания постоянного, предварительно заданного давления на выходе ("после себя"), независимо от колебаний давления и расхода на входе. МРПП работает автоматически от давления в трубопроводе, без внешних источников энергии. | ||||||||||||||||||||||||||||||||||||||||||||||||||||||||||||||||||||||
Технические параметры регуляторов «после себя» с пилотным управлением DN.ru PVA1-1313RR-F Ду50-200 Ру16, мембранных, корпус - чугун GGG40, диск - чугун GGG40, уплотнение - каучук натуральный армированный, присоединение - фланцевое
|
Регуляторы после себя с пилотным управлением DN.ru PVA1-1313RR-F Ду50-200 Ру16, мембранные, корпус - чугун GGG40, диск - чугун GGG40, уплотнение - каучук натуральный армированный, присоединение - фланцевое |
|||||||||||||||||||||||||||||||||||||||||||||||||||||||||||||||||||||
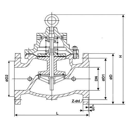
Габариты и размеры регуляторов «после себя» с пилотным управлением DN.ru PVA1-1313RR-F Ду50-200 Ру16, мембранных, корпус - чугун GGG40, диск - чугун GGG40, уплотнение - каучук натуральный армированный, присоединение - фланцевое:autsors_podshablon_gabarity
|
Эскиз габаритов и размеров регуляторов «после себя» с пилотным управлением DN.ru PVA1-1313RR-F Ду50-200 Ру16, мембранных, корпус - чугун GGG40, диск - чугун GGG40, уплотнение - каучук натуральный армированный, присоединение - фланцевое |
|||||||||||||||||||||||||||||||||||||||||||||||||||||||||||||||||||||
Таблица деталей и материалов регуляторов «после себя» с пилотным управлением DN.ru PVA1-1313RR-F Ду50-200 Ру16, мембранных, корпус - чугун GGG40, диск - чугун GGG40, уплотнение - каучук натуральный армированный, присоединение - фланцевое:
|
Эскиз деталей и материалов регуляторов «после себя» с пилотным управлением DN.ru PVA1-1313RR-F Ду50-200 Ру16, мембранных, корпус - чугун GGG40, диск - чугун GGG40, уплотнение - каучук натуральный армированный, присоединение - фланцевое |
|||||||||||||||||||||||||||||||||||||||||||||||||||||||||||||||||||||
Регулятор давления после себя пилотный мембранный DN.ru PVA1-1313RR-F
Описание продукта
Регулятор давления после себя пилотный мембранный DN.ru PVA1-1313RR-F – это современное регулирующее устройство, предназначенное для автоматического поддержания заданного давления в промышленных трубопроводных системах. Корпус и диск выполнены из чугуна GGG40, что гарантирует высокую прочность и устойчивость к воздействию агрессивных сред. Запорный элемент управляется мембраной, которая передает управляющее давление от пилотного клапана. В закрытом положении запорный элемент плотно прилегает к седлу, обеспечивая герметичность. Присоединение осуществляется фланцевым способом, что расширяет спектр применений при различных монтажных условиях. При повышении давления на выходе клапан закрывается, а при снижении – открывается, поддерживая стабильное давление после себя.
Преимущества
- Прочная конструкция и материалы. Корпус и диск из чугуна GGG40 обеспечивают высокую массу и устойчивость к износу, а прочная армированная мембрана гарантирует отсутствие протечек и минимальные потери давления.
- Пилотное управление. Обеспечивает точное регулирование давления после себя, автоматически корректируя положение клапана при изменении расхода.
- Универсальность применения. Фланцевое присоединение и возможность установки как в горизонтальном, так и в вертикальном положении делают этот регулятор совместимым с широким спектром обвязок и трубопроводной арматурой, обеспечивая дополнительные опции по монтажу.
- Соответствие стандартам. Техническая спецификация устройства соответствует требованиям ГОСТ, что подтверждает надежность и высокую герметичность конструкции.
Виды и особенности конструкции
Регуляторы давления после себя с пилотным управлением представлены в различных сериях, что позволяет подобрать оптимальный вариант в зависимости от условий эксплуатации. Особенности конструкции данного регулятора включают:
- Запорный элемент управляется мембраной, которая передает управляющее давление от пилотного клапана. В закрытом положении запорный элемент плотно прилегает к седлу, обеспечивая герметичность.
- Пилотный клапан обеспечивает точное регулирование давления при изменяющемся расходе, а мембранный механизм исключает резкие скачки давления.
- Наличие управляющей камеры, где при подаче импульса входного давления происходит закрытие клапана, а при соединении с импульсом выходного давления или атмосферой – открывается, что расширяет спектр применений и повышает надежность работы.
Для защиты от коррозии регулятор может иметь эпоксидное или фторопластовое покрытие, продлевающее срок службы.
Как выбрать регулятор давления
При выборе регулятора давления после себя пилотного мембранного следует ориентироваться на:
- Диапазон давления и температуру рабочей среды. Точная спецификация по ГОСТ и стандартная настройка параметров позволяют подобрать устройство для жидкостей с различными свойствами.
- Пропускную способность. Важно учитывать способность клапана регулировать потоки с минимальными потерями давления, что обеспечивается правильной настройкой.
- Особенности монтажа. Учитывайте монтажные положения (горизонтальное или вертикальное) и совместимость с существующей арматурой
- Отзывы и рекомендации специалистов. Подбор оптимального решения часто основывается на практическом опыте использования, подробных обзорах и консультациях по эксплуатации регуляторов давления.
Установка и обслуживание
Монтаж регулятора производится в соответствии со схемой пилотной обвязки:
- Убедитесь, что устройство правильно ориентировано для обеспечения корректной работы – монтаж возможен в горизонтальном или вертикальном положении (уточняйте возможность вертикальной установки в технической документации).
- Для фланцевых соединений используйте стандартные уплотнительные прокладки. Подключение импульсных трубок управляющей камеры выполняется с помощью предусмотренных штуцеров.
- Подключите управляющую камеру строго по схеме: при подаче импульса входного давления клапан закрывается, а при соединении с импульсом выходного давления или атмосферой – открывается.
Регулярное обслуживание включает проверку герметичности, очистку от осадков и накипи, а также смазку пружин, поджимающих мембрану.
Советы по эксплуатации
- Контроль параметров. Регулярно отслеживайте входное давление и показатели в управляющей камере, корректируя настройки для поддержания стабильного режима работы.
- Профилактический осмотр. При появлении любых колебаний давления или изменений в работе клапана проводите диагностику и, при необходимости, замену изношенных комплектующих – это гарантирует отсутствие протечек и стабильность работы.
- Использование оригинальных деталей. При замене уплотнений или других компонентов обязательно применяйте совместимые элементы, предусмотренные спецификацией, что позволяет сохранить высокую герметичность и надежность конструкции.
- Консультации специалистов. В случае возникновения вопросов по монтажу или настройке регулятора давления, обращайтесь за дополнительными услугами – наши специалисты всегда готовы помочь с подбором и обслуживанием оборудования.
Таким образом, регулятор давления после себя пилотный мембранный DN.ru PVA1-1313RR-F сочетает в себе простую и надежную конструкцию, широкий спектр настроек и высокую пропускную способность, что делает его идеальным решением для промышленных установок. Продукт соответствует стандартам ГОСТ, обладает высокой герметичностью и оптимальной скоростью регулирования потоков, что подтверждают как техническая спецификация, так и положительные отзывы пользователей. Если у вас возникнет вопрос по подбору или установке, наши специалисты готовы предоставить консультацию и оказать необходимые услуги.
Часто задаваемые вопросы:
Быстрый заказ
Вы можете отправить нам запрос на необходимые позиции и наш менеджер свяжется с вами в ближайшее время для формирования заказа

-min.png)
.jpg)
.jpg)

