Электропривод поворотный RGP SADA-24-18 для воздушных заслонок, питающее напряжение 24В, крутящий момент 18Нм, время поворота с/90°-90с, с возвратной пружиной

Артикул: D300-16389   

О товаре

Артикул:
D300-16389
Бренд:
RGP
Giacomini
MUT
Wester
Ридан
Страна производитель:
Россия
Тип электропривода:
поворотный
Крутящий момент:
18 Нм
Напряжение питания:
24В
220В
230В
Степень защиты корпуса:
IP54
не указано
IP42
IP44
IP65
Наличие взрывозащиты:
нет
не указано
Наличие тепловой защиты:
не указано
есть
Все характеристики
на 2026-04-30
14 250,21
Гарантия 12 месяцев
Возможна отсрочка до 90 дней
В избранное
Бесплатная доставка до ТК
Сертифицированный товар

Характеристики

Электропривод с возвратной пружиной предназначен для управления воздушными заслонками и клапанами в вентиляционных системах посредством подачи управляющих сигналов «открыть» и «закрыть», либо пропорционального управляющего сигнала 0(2)…10В (серия PRO). Привод регулирует объем воздушного потока и перекрывает его с помощью пружинного возврата в случае аварии или отсутствия электроснабжения. Важным преимуществом является режим «Сервис» при котором управляющий сигнал не влияет на положение привода и заслонки (PRO).

Технические параметры электропривода поворотного RGP SADA-24-18

  • Тип электропривода - поворотный
  • Модель привода - SADA-24-18
  • Напряжение питания - 24В
  • Степень защиты корпуса IP - 54
  • Наличие ручного дублера - Шестигранник
  • Потребляемая мощность - 6 Вт
  • Крутящий момент привода - 18 Нм
  • Сигнал управления - 2-х позиционный
  • Взрывозащита - нет
  • Время цикла открытия/закрытия - 90 сек.
  • Частота - 50/60Гц
  • Угол поворота привода - 90 °
  • Уровень шума - 50 дБ
  • Бренд - RGP
  • Страна производитель привода - Россия
  • Гарантия - 5 лет
  • Вес - 2.2 кг
Электропривод поворотный RGP SADA-24-18 для воздушных заслонок, питающее напряжение 24В, крутящий момент 18Нм, время поворота с/90°-90с, с возвратной пружиной

Изображение электропривода поворотного RGP SADA-24-18

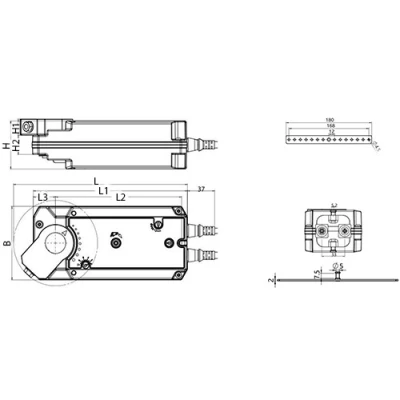
Габариты и размеры электропривода поворотного RGP SADA-24-18

  • L - 238 мм
  • L1 - 211.5 мм
  • L2 - 172.5 мм
  • L3 - 30 мм
  • B - 99 мм
  • H - 65 мм
  • H1 - 22 мм
  • H2 - 26 мм
Электропривод поворотный RGP SADA-24-18 для воздушных заслонок, питающее напряжение 24В, крутящий момент 18Нм, время поворота с/90°-90с, с возвратной пружиной

Эскиз габаритов электропривода поворотного RGP SADA-24-18

Электропривод поворотный RGP SADA-24-18 для воздушных заслонок, питающее напряжение 24В, крутящий момент 18Нм, время поворота с/90°-90с, с возвратной пружиной

Схема подключения электропривода поворотного RGP SADA-24-18

Аналоги

График сравнения цен аналогичных электроприводов*. При клике на точку графика получите развернутую информацию.

*Электроприводы подобраны по следующим параметрам: Тип электропривода - поворотный, напряжение питания - 24В, крутящий момент привода - 18 Нм, взрывозащита - нет

22,000
17,600
13,200
8,800
4,400
0
RGP
SADA
Giacomini
K270
RGP
SADA
RGP
SADA
Giacomini
K272

Доставка

Условия доставки:

Мы осуществляем доставку по Москве, Московской области, и другим регионам Российской Федерации.

Доставка по г.Москва (в пределах МКАД) и МО осуществляется собственным транспортом или курьером.

Доставка в другие регионы осуществляется при помощи транспортных компаний (СДЭК, Деловые линии, Байкал Сервис).

Самовывоз. Вы сможете самостоятельно забрать заказ оформив самовывоз с нашего склада или пункта выдачи заказов.

Быстрый заказ

Вы можете отправить нам запрос на необходимые позиции и наш менеджер свяжется с вами в ближайшее время для формирования заказа

Нажмите, чтобы загрузить файлы или перетащите сюда
Максимальный размер файла - 10 Мб. Типы файлов: jpg, jpeg, png, xls, xlsx, doc, docx, pdf.