Электропривод многооборотный СибЗТА Г-2500/24, 380В

О товаре
Другие модели
По крутящему моменту
Характеристики
Электропривод многооборотный СибЗТА Г-2500/24, 380В разработан для управления запорной и запорно-регулирующей трубопроводной арматурой в промышленности. Он обеспечивает как дистанционное, так и автоматическое управление, включая сценарии, требующие герметичного запирания в крайних положениях. Конструкция электропривода позволяет его установку непосредственно на арматуре в любом положении, без ограничений по ориентации. Оборудование сохраняет свою работоспособность, технические параметры и внешний вид даже при эксплуатации в условиях воздействия климатических факторов. В соответствии с ГОСТ 15150, диапазоны рабочих температур составляют: Исполнение У1: от -45 ℃ до +70 ℃; Исполнение УХЛ1: от -60 ℃ до +70 ℃. Стандартный уровень защиты – IP67. При необходимости возможно исполнение с IP68, обеспечивающее защиту от проникновения воды на глубине до 3 метров в течение 48 часов. Электропривод предназначен для работы на промышленных объектах, включая электростанции, водопроводные станции, очистные сооружения и предприятия химической промышленности. Они могут эксплуатироваться в средах с низкой либо умеренной концентрацией загрязняющих веществ, что делает их универсальным решением для различных отраслей. | |||||||||||||||||||||
Технические параметры электропривода многооборотного СибЗТА-Г-2500/24
| ![]() Изображение электропривода многооборотного СибЗТА-Г-2500/24 | ||||||||||||||||||||
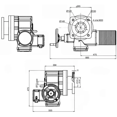
Габариты и размеры электропривода многооборотного СибЗТА-Г-2500/24
| ![]() Эскиз габаритов электропривода многооборотного СибЗТА-Г-2500/24 | ||||||||||||||||||||
Деталировка электропривода многооборотного СибЗТА-Г-2500/24
| ![]() Эскиз деталировки электропривода многооборотного СибЗТА-Г-2500/24 |
Паспорта и сертификаты
Аналоги
График сравнения цен аналогичных электроприводов*. При клике на точку графика получите развернутую информацию.
*Электроприводы подобраны по следующим параметрам: Тип электропривода - Многооборотный, напряжение питания - 380В, крутящий момент привода - 2500 Нм
Доставка
Мы осуществляем доставку по Москве, Московской области, и другим регионам Российской Федерации.
Доставка по г.Москва (в пределах МКАД) и МО осуществляется собственным транспортом или курьером.
Доставка в другие регионы осуществляется при помощи транспортных компаний (СДЭК, Деловые линии, Байкал Сервис).
Самовывоз. Вы сможете самостоятельно забрать заказ оформив самовывоз с нашего склада или пункта выдачи заказов.
Быстрый заказ
Вы можете отправить нам запрос на необходимые позиции и наш менеджер свяжется с вами в ближайшее время для формирования заказа