Электропривод четвертьоборотный СибЗТА Э.Н-ЧФ-600 380В

О товаре
Другие модели
Характеристики
Электропривод четвертьоборотный СибЗТА Э.Н-ЧФ-600 380В предназначен для дистанционного и местного управления вращением запорного органа на 0° ~ 270° таких типов как кран шаровой, затвор поворотный и т.п. Электропривод устанавливается непосредственно на трубопроводной арматуре. Установочные размеры соответствуют международному стандарту IS05211 / DIN3337. Электропривод может применяться в различных отраслях народного хозяйства. | |||||||||||||||||||||||||||||||||||||||
Технические параметры электропривода четвертьоборотного СибЗТА Э.Н-ЧФ-600 380В
| ![]() Изображение электропривода четвертьоборотного СибЗТА Э.Н-ЧФ-600 380В | ||||||||||||||||||||||||||||||||||||||
Габариты и размеры электропривода четвертьоборотного СибЗТА Э.Н-ЧФ-600 380В
| ![]() Эскиз габаритов электропривода четвертьоборотного СибЗТА Э.Н-ЧФ-600 380В | ||||||||||||||||||||||||||||||||||||||
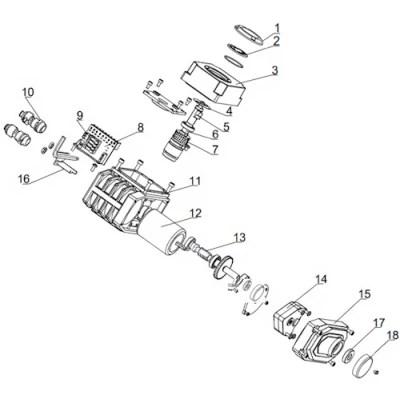
Деталировка электропривода четвертьоборотного СибЗТА Э.Н-ЧФ-600 380В
| ![]() Эскиз деталировки электропривода четвертьоборотного СибЗТА Э.Н-ЧФ-600 380В |
Паспорта и сертификаты
Аналоги
График сравнения цен аналогичных электроприводов*. При клике на точку графика получите развернутую информацию.
*Электроприводы подобраны по следующим параметрам: Тип электропривода - Четвертьоборотный, напряжение питания - 380В, крутящий момент привода - 600 Нм
Доставка
Мы осуществляем доставку по Москве, Московской области, и другим регионам Российской Федерации.
Доставка по г.Москва (в пределах МКАД) и МО осуществляется собственным транспортом или курьером.
Доставка в другие регионы осуществляется при помощи транспортных компаний (СДЭК, Деловые линии, Байкал Сервис).
Самовывоз. Вы сможете самостоятельно забрать заказ оформив самовывоз с нашего склада или пункта выдачи заказов.
Быстрый заказ
Вы можете отправить нам запрос на необходимые позиции и наш менеджер свяжется с вами в ближайшее время для формирования заказа