Насосы дозировочные плунжерные ETATRON P AA поверхностные, корпус - алюминий, мощность - 0.25-0.75кВт, производительность - 14-1027л/час, 220-380В, головка насоса - нержавеющая сталь AISI 316L

NY2026 - all categories (2)
NY2026 - all categories (2)-mobile
Aquaflame 2026 (2)
Aquaflame 2026 (2)-mobile
СТМ многоступенчатые насосы 2
СТМ многоступенчатые насосы 2-mobile
КИПиА Акваконтроль 2
КИПиА Акваконтроль 2-mobile

Плунжерные дозировочные насосы серии «P» разработаны и изготовлены для дозирования не вязких и не содержащих взвешенных твердых частиц жидкостей. Корпус насоса изготовлен под давлением из литого алюминия, защищенного эпоксидной, антикислотной краской. Производительность насосов регулируется при помощи микрометрической ручки, которая управляет длиной хода плунжера. Регулировка производительности может осуществляться во время работы насоса. Перекачивающее действие осуществляется поршнем, который совершает возвратно-поступательное движение внутри головки насоса. Стандартное исполнение электродвигателя: 0.25/0.37/0.55 или 0.75 кВт, 230/400В, 3 фазы, 50 Гц. Максимальная высота забора реагента – 3 м. Различные материалы исполнения проточной части головки - ПВХ, SS 316L или PVDF (по запросу), позволяют использовать насос с различными химическими реагентами. Насосы поставляются без масла и монтажного комплекта (клапанов забора и впрыска реагента, шлангов). Производительность насосов от 14 до 1027 л/ч, противодавление до 25 бар. Насосы-дозаторы серии «P» известны своей превосходной долговечностью и надежностью в различных областях применения.

Технические параметры насоса дозировочного мембранного ETATRON P AA поверхностного

ХарактеристикаЗначение
Тип оборудованиянасосы
Вид насосапо конструкции
Конструкция насосаПлунжерный, дозировочный
Положениевертикальный
СерияP
БрендETATRON
Страна брендаИталия
Напряжение питания220-380В
Пожарныйнет
Материал корпусаАлюминий
Степень защиты корпуса IP55
Насосы дозировочные плунжерные ETATRON P AA поверхностные, корпус - алюминий, мощность - 0.25-0.75кВт, производительность - 14-1027л/час, 220-380В, головка насоса - нержавеющая сталь AISI 316L

Изображение насоса дозировочного мембранного ETATRON P AA поверхностного

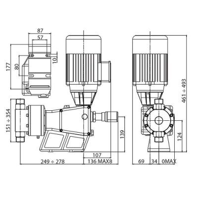
Габариты и размеры насоса дозировочного мембранного ETATRON P AA поверхностного

МодельВысотаШиринаГлубина
P AA 0838 750Вт493183417
P AA 0431 550Вт493183417
P AA 0503 750Вт493183417
P AA 0503493183417
P AA 0503 370Вт493183417
P AA 0503 550Вт493183417
P AA 0513 750Вт493183417
P AA 0513 550Вт493183417
P AA 0838 550Вт493183417
P AA 0431 370Вт493183417
P AA 1027493183417
P AA 0103 SERV.493183417
P AA 0128 SERV.493183417
P AA 0838 550Вт SERV.493183417
P AA 0838 без двигателя493183417
P AA 0220 без двигателя493183417
P AA 0220 370Вт493183417
P AA 1027 750Вт493183417
P AA 0251493183417
P AA 0024493183417
P AA 0029493183417
P AA 0052493183417
P AA 0088493183417
P AA 0103493183417
P AA 0128493183417
P AA 0128 370Вт493183417
P AA 0220493183417
P AA 0014493183417
P AA 0251 370Вт493183417
P AA 0251 550Вт493183417
P AA 0251 750Вт493183417
P AA 0256 370Вт493183417
P AA 0256493183417
P AA 0431 750Вт493183417
P AA 0431493183417
Насосы дозировочные плунжерные ETATRON P AA поверхностные, корпус - алюминий, мощность - 0.25-0.75кВт, производительность - 14-1027л/час, 220-380В, головка насоса - нержавеющая сталь AISI 316L

Эскиз (эскизы) габаритов насоса дозировочного мембранного ETATRON P AA поверхностного

Деталировка насоса дозировочного мембранного ETATRON P AA поверхностного

НаименованиеМатериал
1КорпусАлюминий
2ГоловкаAISI 316L
3СоединенияAISI 316L
4ПлунжерAISI 316L
5Уплотнения плунжераNBR
6Седло клапанаPVDF
7Шаровой клапанAISI 316L
8Уплотнение клапанаNBR

Быстрый заказ

Вы можете отправить нам запрос на необходимые позиции и наш менеджер свяжется с вами в ближайшее время для формирования заказа

Нажмите, чтобы загрузить файлы или перетащите сюда
Максимальный размер файла - 10 Мб. Типы файлов: jpg, jpeg, png, xls, xlsx, doc, docx, pdf.