Насосы дозировочные мембранные ETATRON D BA поверхностные, корпус - алюминий, мощность - 0.25-0.37кВт, производительность - 79-535л/час, 220-380В, головка насоса - ПВХ

NY2026 - all categories (2)
NY2026 - all categories (2)-mobile
Aquaflame 2026 (2)
Aquaflame 2026 (2)-mobile
СТМ многоступенчатые насосы 2
СТМ многоступенчатые насосы 2-mobile
КИПиА Акваконтроль 2
КИПиА Акваконтроль 2-mobile

Мембранные дозировочные насосы серии D спроектированы и изготовлены для дозирования вязких жидкостей, которые могут содержать взвешенные твердые частицы. Корпус насоса изготовлен под давлением из литого алюминия и защищен эпоксидной, антикислотной краской. В дозировочных насосах серии D используется мембрана из NBR/PTFE (PTFE - материал, контактирующий с жидкостью), а их ключевые характеристики — прочная конструкция и надежность позволяют использовать их во многих областях применения. Производительность насосов регулируется при помощи микрометрической ручки, которая управляет длиной хода пистона. Регулировка производительности может осуществляться во время работы насоса. Стандартное исполнение электродвигателя: 0.25/0.37 кВт, 230/400В, 3 фазы, 50 Гц. Макс. высота забора реагента – 3 м. Различные материалы исполнения проточной части, позволяют использовать насос с различными химическими реагентами. Насосы поставляются без масла и монтажного комплекта (клапанов забора и впрыска реагента, шлангов). Производительность насосов от 79 до 535 л/ч, противодавление до 12 бар. Для дозирования вязких жидкостей рекомендуется использовать насосы с наименьшей частотой хода — макс. 60 ходов в минуту.

Технические параметры насоса дозировочного мембранного ETATRON D BA поверхностного

ХарактеристикаЗначение
Тип оборудованиянасосы
Вид насосапо конструкции
Конструкция насосаМембранный, дозировочный
Положениевертикальный
СерияD
БрендETATRON
Страна брендаИталия
Напряжение питания220-380В
Пожарныйнет
Материал корпусаАлюминий
Степень защиты корпуса IP65
Насосы дозировочные мембранные ETATRON D BA поверхностные, корпус - алюминий, мощность - 0.25-0.37кВт, производительность - 79-535л/час, 220-380В, головка насоса - ПВХ

Изображение насоса дозировочного мембранного ETATRON D BA поверхностного

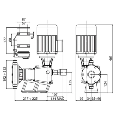
Габариты и размеры насоса дозировочного мембранного ETATRON D BA поверхностного

МодельВысотаШиринаГлубина
D BA 0158 S.V.461193359
D BA 0420 без двигателя461193359
D BA 0478 без двигателя461193359
D BA 0079 O461193359
D BA 0135 O461193359
D BA 0079 S.V.461193359
D BA 0535 SERV.461193359
D BA 0535 S.V.461193359
D BA 0478 370Вт S.V.461193359
D BA 0478 S.V.461193359
D BA 0300 S.V.461193359
D BA 0278 S.V.461193359
D BA 0257 SERV.461193359
D BA 0257 S.V.461193359
D BA 0158 SERV.461193359
D BA 0135461193359
D BA 0150 S.V.461193359
D BA 0135 SERV.461193359
D BA 0135 S.V.461193359
D BA 0079461193359
D BA 0535 370Вт461193359
D BA 0535461193359
D BA 0478 370Вт461193359
D BA 0478461193359
D BA 0300461193359
D BA 0278 370Вт461193359
D BA 0278461193359
D BA 0257461193359
D BA 0158461193359
D BA 0150461193359
Насосы дозировочные мембранные ETATRON D BA поверхностные, корпус - алюминий, мощность - 0.25-0.37кВт, производительность - 79-535л/час, 220-380В, головка насоса - ПВХ

Эскиз (эскизы) габаритов насоса дозировочного мембранного ETATRON D BA поверхностного

Деталировка насоса дозировочного мембранного ETATRON D BA поверхностного

НаименованиеМатериал
1КорпусАлюминий
2ГоловкаPVC
3СоединенияPVC
4МембранаNBR / PTFE
5Седло клапанаPVC
6Шаровой клапанCeramic
7Уплотнение клапанаFPM

Быстрый заказ

Вы можете отправить нам запрос на необходимые позиции и наш менеджер свяжется с вами в ближайшее время для формирования заказа

Нажмите, чтобы загрузить файлы или перетащите сюда
Максимальный размер файла - 10 Мб. Типы файлов: jpg, jpeg, png, xls, xlsx, doc, docx, pdf.