Насосы серии PSB с частотным преобразователем представляют собой поверхностные многоступенчатые центробежные насосы, оснащённые энергоэффективным двигателем с постоянными магнитами, датчиком давления и встроенным частотным преобразователем. Частотный преобразователь регулирует работу насоса и скорость вращения рабочих колес, что позволяет поддерживать постоянное давление в системе водоснабжения, обеспечивая равномерное водоснабжение при одновременном использовании нескольких точек водоразбора. Насосы предназначены для использования в системах водоснабжения, повышения давления и перекачивания воды, а также подходят для решения следующих задач: водоснабжение частных домов, дач и коттеджей; повышение давления в системах водоснабжения при недостаточном давлении воды; перекачивание воды из резервуаров, колодцев, скважин или водоёмов*; подача воды для полива дачных участков, садов и огородов, а также для систем полива и ирригации. |
Технические параметры насосов многоступенчатых Unipump PSB поверхностных, корпус - нержавеющая сталь, с частотным преобразователем| Характеристика | Значение |
|---|
| Рабочая жидкость | чистая, невязкая, негорючая, не содержащая твердых и волокнистых включений, неагрессивная к материалам насоса | | Температура рабочей среды, °C | от +1 до +70 | | Размер твердых частиц, мм | 0.2 | | Температура окружающей среды, °C | от +1 до +40 | | Максимальное рабочее давление, бар | 10 | | Максимальная высота всасывания, м | 2 | | Способ установки | в горизонтальном положении | | Число пусков в час, не более | 100 | | Электрическая сеть | ~ 230 ± 10 % | | Класс энергоэффективности | IE4 |
|  Изображение насосов многоступенчатых Unipump PSB поверхностных, корпус - нержавеющая сталь, с частотным преобразователем |
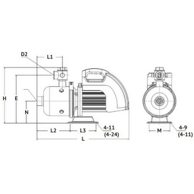
Габариты и размеры насосов многоступенчатых Unipump PSB поверхностных, корпус - нержавеющая сталь, с частотным преобразователем| Модель | N, мм | E, мм | L1, мм | L2, мм | L3, мм | L, мм | H, мм | M, мм | D1, ″ | D2, ″ |
|---|
| 10-50 | 121.5 | 332 | 173 | 285.5 | 166 | 715 | 365.5 | 157 | G2″ | G2″ | | 5-40 | 110 | 248 | 130 | 175.5 | 134 | 480 | 280 | 104 | G1 1/4″ | G1 1/4″ | | 6-30 | 110 | 248 | 130 | 175.5 | 134 | 480 | 280 | 104 | G1 1/4″ | G1 1/4″ |
|  Эскиз (эскизы) габаритов насосов многоступенчатых Unipump PSB поверхностных, корпус - нержавеющая сталь, с частотным преобразователем |
Деталировка насосов многоступенчатых Unipump PSB поверхностных, корпус - нержавеющая сталь, с частотным преобразователем| № | Наименование |
|---|
| 1 | Штуцер | | 2 | Напорный патрубок | | 3 | Всасывающий патрубок | | 4 | Отверстие для залива | | 5 | Панель управления | | 6 | Двигатель | | 7 | Основание |
|  Эскиз деталировки насосов многоступенчатых Unipump PSB поверхностных, корпус - нержавеющая сталь, с частотным преобразователем |