Насос циркуляционный IMP PUMPS NMTD MAX II U 100/180 F450 PN10 поверхностный, корпус - чугун, мощность - 1.55кВт, напор - 18.7м, производительность - 1203л/мин, 220В, с встроенным U-модулем связи

Артикул: D330-49273   

О товаре

Артикул: D330-49273
Тип: насос
Положение: горизонтальный
Серия: nmt
Бренд: IMP PUMPS
Страна производитель: Словения
Напряжение: 220 В
Мощность: 1550 Вт
Производительность: 1203 л/мин 72.2 м3/ч (72200 л/час)
Max высота подъема: 18.70 м
Напор: 18.70 м вод. ст.
Сегмент: промышленный
Тип ротора: мокрый
Назначение: водяной
Место установки: поверхностный
Температура среды (max): 110 °С
Температура рабочей среды мин: -10 °С
Перекачиваемая среда: гликоль, чистая вода
Вес: 64.00 кг
Все характеристики
на 2026-02-24
671 924,15
Гарантия 12 месяцев
Возможна отсрочка до 90 дней
В избранное
Бесплатная доставка до ТК
Сертифицированный товар

Характеристики

Циркуляционный насос NMTD MAX II U с мокрым ротором, фланцевым соединением, электронно-коммутируемым электродвигателем и встроенным электронным регулированием частоты вращения. Применяется для перекачки жидких сред в системах водяного отопления, кондиционирования воздуха и вентиляции. Подходит для использования в циркуляционных системах при температурах теплоносителя от –10 °С до +110 °С. В комплект поставки входит теплоизоляционный кожух. Насос отличается высоким пусковым моментом, высокой энергоэффективностью за счет комбинации оптимизированных и инновационных энергосберегающих функций, а также имеет защиту от сухого хода. Управление осуществляется через светодиодный дисплей для установки заданного напора и индикации текущих значений напора, расхода, мощности, скорости вращения ротора и кодов ошибок. Доступен ручной выбор режимов работы, блокировка кнопок, функция сброса параметров до заводских настроек. Корпус насоса с катафорезным покрытием обеспечивает дополнительную защиту от коррозии.

Технические характеристики насоса циркуляционного IMP PUMPS NMTD MAX II U 100/180 F450 PN10 поверхностного

  • Тип оборудования - насос
  • Вид насоса - циркуляционный
  • Установка - горизонтальный
  • Место установки - поверхностный
  • Тип ротора насоса - мокрый
  • Диаметр насоса - 100
  • Давление номинальное - 10 бар
  • Напор - 18.7
  • Тип присоединения - Фланцевый
  • Материал корпуса - Серый чугун
  • Напряжение питания - 220В
  • Степень защиты корпуса - IP44
  • Перекачиваемая среда - гликоль, чистая вода
  • Температура перекачиваемой среды, минимальная: -10°C
  • Температура перекачиваемой среды, максимальная: 110°C
  • Цвет - черный
  • Пропускная способность - 72.2
  • Потребляемая мощность - 1550 Вт
  • Номинальный потребляемый ток - 6.7
  • Тепловая защита - есть
  • Производительность - 72200
  • Производительность - 1203
  • Защита сухого хода - есть
  • Материал подшипников - Графит
  • Материал вала насоса - нержавеющая сталь
  • Серия - nmt
  • Качество воды - чистая
  • Место применения - полотенцесушители, теплый пол, Котельная
  • Пожарный - нет
  • Встроенный гидроаккумулятор - Нет
  • Монтажная длина - 450 мм
  • Срок гарантии производителя - 24 мес.
  • Срок службы - 10 лет
  • Материал рабочего органа - нержавеющая сталь
  • Частота - 50 Гц
  • Частота вращения - 4400 об/мин
  • Уровень шума - 43 дБ
  • Номинальный ток - 6.7
  • Количество фаз - 1 шт
  • Класс нагревостойкости изоляции - H
  • Класс энергоэффективности - 0.20
  • Страна производитель - Словения
  • Бренд - IMP PUMPS
  • Страна бренда - Словения
  • Вес - 64 кг
Насос циркуляционный IMP PUMPS NMTD MAX II U 100/180 F450 PN10 поверхностный, корпус - чугун, мощность - 1.55кВт, напор - 18.7м, производительность - 1203л/мин, 220В, с встроенным U-модулем связи

Изображение насоса циркуляционного IMP PUMPS NMTD MAX II U 100/180 F450 PN10 поверхностного

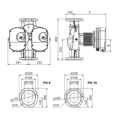
Габаритные и установочные размеры насоса циркуляционного IMP PUMPS NMTD MAX II U 100/180 F450 PN10 поверхностного

  • B - 137 мм
  • C - 369 мм
Насос циркуляционный IMP PUMPS NMTD MAX II U 100/180 F450 PN10 поверхностный, корпус - чугун, мощность - 1.55кВт, напор - 18.7м, производительность - 1203л/мин, 220В, с встроенным U-модулем связи

Эскиз габаритов насоса циркуляционного IMP PUMPS NMTD MAX II U 100/180 F450 PN10 поверхностного

Деталировка насоса циркуляционного IMP PUMPS NMTD MAX II U 100/180 F450 PN10 поверхностного

НаименованиеМатериал
1Корпус насосаСерый чугун
2Рабочее колесоСинтетический материал (PES GF 62)
3Вал насосаНержавеющая сталь
4ПодшипникиГрафит

Аналоги

График сравнения цен аналогичных насосов*.

*Насосы подобраны по следующим параметрам: тип насоса - насос, вид - циркуляционный, диаметр - 100 мм, напряжение питания - 220В, потребляемая мощность - 1550 Вт, производительность (литры в мин) - 1203, производительность (куб. метр в час) - 72.2, напор - 18.7 м вод. ст., Тип ротора насоса - мокрый

672,000
537,600
403,200
268,800
134,400
0
IMP PUMPS
NMT MAX II U
IMP PUMPS
NMT MAX II U
IMP PUMPS
NMTD MAX II U
IMP PUMPS
NMTD MAX II U

Доставка

Условия доставки:

Мы осуществляем доставку по Москве, Московской области, и другим регионам Российской Федерации.

Доставка по г.Москва (в пределах МКАД) и МО осуществляется собственным транспортом или курьером.

Доставка в другие регионы осуществляется при помощи транспортных компаний (СДЭК, Деловые линии, Байкал Сервис).

Самовывоз. Вы сможете самостоятельно забрать заказ оформив самовывоз с нашего склада или пункта выдачи заказов.

Быстрый заказ

Вы можете отправить нам запрос на необходимые позиции и наш менеджер свяжется с вами в ближайшее время для формирования заказа

Нажмите, чтобы загрузить файлы или перетащите сюда
Максимальный размер файла - 10 Мб. Типы файлов: jpg, jpeg, png, xls, xlsx, doc, docx, pdf.