Циркуляционный насос IMP PUMPS NMT SMART II U имеет встроенный U-модуль связи, мокрый ротор, резьбовое или фланцевое соединение и предназначен для систем отопления, вентиляции, охлаждения и кондиционирования. Оснащен электронно-коммутируемым электродвигателем и встроенным электронным регулированием частоты вращения. Подходит для использования в циркуляционных системах при температурах теплоносителя от –10 °С до +110 °С.
В комплект поставки входит теплоизоляционный кожух. Насос отличается высоким пусковым моментом, высокой энергоэффективностью за счет комбинации оптимизированных и инновационных энергосберегающих функций, а также имеет защиту от сухого хода. Управление осуществляется через светодиодный дисплей для установки заданного напора и индикации текущих значений напора, расхода, мощности, скорости вращения ротора и кодов ошибок. Доступен ручной выбор режимов работы, блокировка кнопок, функция сброса параметров до заводских настроек. Корпус насоса с катафорезным покрытием обеспечивает дополнительную защиту от коррозии. Электроподключение выполняется безопасно и удобно без инструмента с помощью IMP-Connector. |
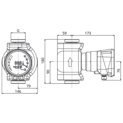
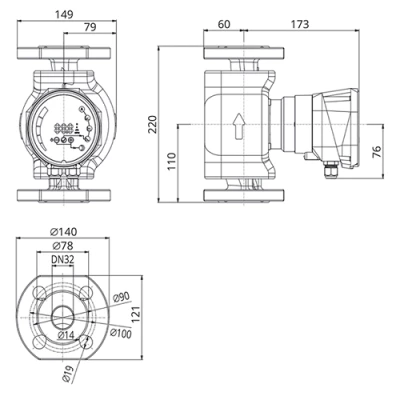
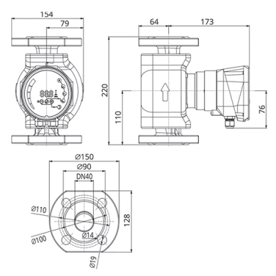
Габариты и размеры насоса циркуляционного IMP PUMPS NMT SMART II U поверхностного| Модель | Высота, мм | Ширина, мм | Глубина, мм | G,″ |
|---|
| NMT SMART II U 32/80-F220 | 220 | 149 | 233 | | | NMT SMART II U 50/120-F240 | 240 | 162 | 242 | | | NMT SMART II U 50/100-F240 | 240 | 162 | 242 | | | NMT SMART II U 50/80-F240 | 240 | 162 | 242 | | | NMT SMART II U 50/60-F240 | 240 | 162 | 242 | | | NMT SMART II U 50/40-F240 | 240 | 162 | 242 | | | NMT SMART II U 40/120-F220 | 220 | 154 | 237 | | | NMT SMART II U 40/100-F220 | 220 | 154 | 237 | | | NMT SMART II U 40/80-F220 | 220 | 154 | 237 | | | NMT SMART II U 40/60-F220 | 220 | 154 | 237 | | | NMT SMART II U 40/40-F220 | 220 | 154 | 237 | | | NMT SMART II U 32/120-F220 | 220 | 149 | 233 | | | NMT SMART II U 32/100-F220 | 220 | 149 | 233 | | | NMT SMART II U 25/40-180 | 180 | 146 | 232 | 1 1/2 ″ | | NMT SMART II U 32/60-F220 | 220 | 149 | 233 | | | NMT SMART II U 32/40-F220 | 220 | 149 | 233 | | | NMT SMART II U 32/120-180 | 180 | 146 | 232 | 2 | | NMT SMART II U 32/100-180 | 180 | 146 | 232 | 2 | | NMT SMART II U 32/80-180 | 180 | 146 | 232 | 2 | | NMT SMART II U 32/60-180 | 180 | 146 | 232 | 2 | | NMT SMART II U 32/40-180 | 180 | 146 | 232 | 2 | | NMT SMART II U 25/120-180 | 180 | 146 | 232 | 1 1/2 ″ | | NMT SMART II U 25/100-180 | 180 | 146 | 232 | 1 1/2 ″ | | NMT SMART II U 25/80-180 | 180 | 146 | 232 | 1 1/2 ″ | | NMT SMART II U 25/60-180 | 180 | 146 | 232 | 1 1/2 ″ |
|  Эскиз габаритов насоса циркуляционного IMP PUMPS NMT SMART II U поверхностного |