Реле давления UNI-FITT PM12 3-12бар с накидной гайкой В 1/4″

О товаре
Другие модели
Характеристики
Реле давления UNI-FITT PM12 3-12бар с накидной гайкой В 1/4″ предназначено для автоматизации работы электронасосов водоснабжения. Реле включает и выключает насос при занижении и превышении заданных значений минимального и максимального давления. |
|||||||||||||||||||||
Общие параметры реле давления UNI-FITT PM12 3-12бар с накидной гайкой В 1/4″:
|
![]() Реле давления UNI-FITT PM12 3-12бар с накидной гайкой В 1/4″ |
||||||||||||||||||||
Габаритные размеры реле давления UNI-FITT PM12 3-12бар с накидной гайкой В 1/4″:
|
![]() Эскиз габаритных размеров реле давления UNI-FITT PM12 3-12бар с накидной гайкой В 1/4″ |
||||||||||||||||||||
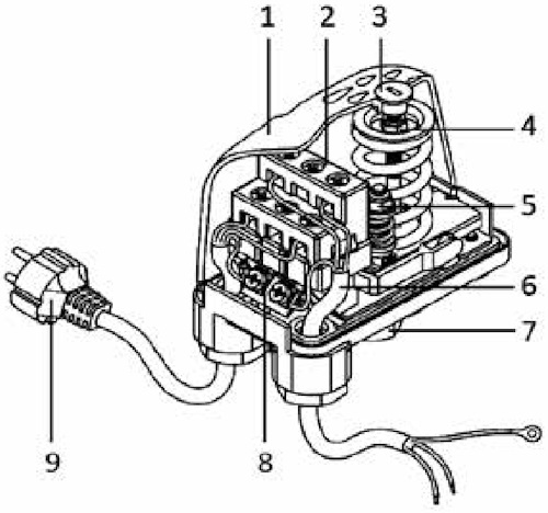
Деталировка реле давления UNI-FITT PM12 3-12бар с накидной гайкой В 1/4″:
|
![]() Эскиз деталировки реле давления UNI-FITT PM12 3-12бар с накидной гайкой В 1/4″ |
Паспорта и сертификаты
Аналоги
График сравнения цен аналогичных устройств автоматики для насосов*.
*Устройства автоматики для насосов подобраны по следующим параметрам: Тип автоматики для насосов - реле давления, диапазоны регулировки - 3 - 12, Присоединительный диаметр - 1/4″
Доставка
Мы осуществляем доставку по Москве, Московской области, и другим регионам Российской Федерации.
Доставка по г.Москва (в пределах МКАД) и МО осуществляется собственным транспортом или курьером.
Доставка в другие регионы осуществляется при помощи транспортных компаний (СДЭК, Деловые линии, Байкал Сервис).
Самовывоз. Вы сможете самостоятельно забрать заказ оформив самовывоз с нашего склада или пункта выдачи заказов.
Быстрый заказ
Вы можете отправить нам запрос на необходимые позиции и наш менеджер свяжется с вами в ближайшее время для формирования заказа