Датчик пыли INNOLEVEL IL-FS700E-MA-HT130-L250 G1 1/2″ Ру2, длина зонда - 250мм, температура - 130°C, напряжение - 24В, выходной сигнал - 4-20мА, кабельные вводы - 2хM16

Артикул: D070-11595   

О товаре

Артикул:
D070-11595
Бренд:
INNOLEVEL
Страна производитель:
Россия
Присоединительный размер:
G1 1/2
G1/2
NPT1/2
Рабочее давление:
2 бар
Материал корпуса:
Нержавеющая сталь
Все характеристики
на 2026-02-11
572 125,71
Гарантия 12 месяцев
Возможна отсрочка до 90 дней
В избранное
Бесплатная доставка до ТК
Сертифицированный товар

Характеристики

Сигнализатор пыли предназначен для использования в зоне очищенного воздуха для контроля уровня запыленности на выходе из фильтра. Помимо этого, с его помощью с высокой степенью достоверности обнаруживаются дефекты фильтра, трещины, поломка или его некорректная сборка. Принцип действия основан на трибоэлектрическом эффекте: частицы пыли, находящиеся в контролируемом пространстве (трубопроводе, коллекторе), постоянно сталкиваясь друг с другом и со стенками трубы, обретают заряд. Сигнализатор обнаруживает эти частицы за счет переносимого ими электрического заряда. Это происходит, когда частицы пролетают рядом с зондом или же касаются его. Оставшиеся частицы, такие как налет, не оказывают влияния на измерение. Данный прибор нельзя применять для материалов, образующих в результате налипания электропроводящий слой между зондом сигнализатора и внутренней стенкой трубопровода.

Технические параметры датчика пыли INNOLEVEL G1 1/2 IL-FS700E-MA-HT130-L250

  • Тип изделия - датчики
  • Тип присоединения - муфтовый (резьбовой)
  • Рабочее давление макс в барах - 2 бар
  • Присоединительный размер КИПИА - G1 1/2
  • Материал корпуса - Нержавеющая сталь
  • Класс материала корпуса - Нержавеющая сталь
  • Тип датчиков - датчики пыли
  • Подтип датчиков - датчики пыли
  • Рабочее давление - 2 бар
  • Напряжение питания - 24В
  • Номинальный потребляемый ток - 60 мА
  • Температура рабочей среды - от -20 до 130 °C
  • Температура окружающей среды - от -20 до 70 °C
  • Кабельный ввод - 2 х M16
  • Степень защиты корпуса IP - 67
  • Страна производитель - Россия
  • Бренд - INNOLEVEL
  • Вес - 2.2 кг
Датчик пыли INNOLEVEL IL-FS700E-MA-HT130-L250 G1 1/2″ Ру2, длина зонда - 250мм, температура - 130°C, напряжение - 24В,  выходной сигнал - 4-20мА, кабельные вводы - 2хM16

Изображение датчика пыли INNOLEVEL G1 1/2 IL-FS700E-MA-HT130-L250

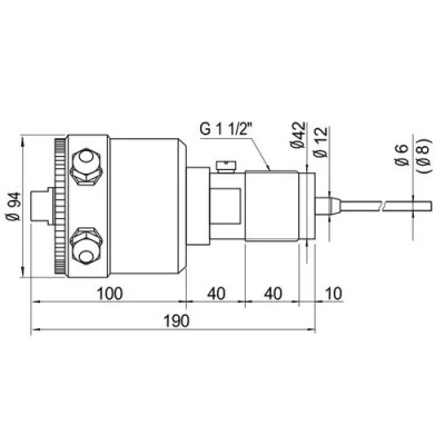
Габаритные и установочные размеры датчика пыли INNOLEVEL G1 1/2 IL-FS700E-MA-HT130-L250

  • Длина зонда - 250 мм
  • Диаметр - 94 мм
Датчик пыли INNOLEVEL IL-FS700E-MA-HT130-L250 G1 1/2″ Ру2, длина зонда - 250мм, температура - 130°C, напряжение - 24В,  выходной сигнал - 4-20мА, кабельные вводы - 2хM16

Эскиз габаритов датчика пыли INNOLEVEL G1 1/2 IL-FS700E-MA-HT130-L250

Аналоги

График сравнения цен аналогичных датчиков*. При клике на точку графика получите развернутую информацию.

*Датчики подобраны по следующим параметрам: Тип датчиков - датчики пыли, присоединительный размер - G1 1/2, температура рабочей среды максимальная - 130 °С, материал корпуса - Нержавеющая сталь, рабочее давление максимальное: 2 бар

Доставка

Условия доставки:

Мы осуществляем доставку по Москве, Московской области, и другим регионам Российской Федерации.

Доставка по г.Москва (в пределах МКАД) и МО осуществляется собственным транспортом или курьером.

Доставка в другие регионы осуществляется при помощи транспортных компаний (СДЭК, Деловые линии, Байкал Сервис).

Самовывоз. Вы сможете самостоятельно забрать заказ оформив самовывоз с нашего склада или пункта выдачи заказов.

Быстрый заказ

Вы можете отправить нам запрос на необходимые позиции и наш менеджер свяжется с вами в ближайшее время для формирования заказа

Нажмите, чтобы загрузить файлы или перетащите сюда
Максимальный размер файла - 10 Мб. Типы файлов: jpg, jpeg, png, xls, xlsx, doc, docx, pdf.