Розетка БРС LSQ KZE-BB Дн132х1 1/4″ Ру207, присоединение внутренняя резьба NPT1 1/4″, диаметр стыка Dn132, корпус - латунь, уплотнение NBR

О товаре
Другие модели:
Характеристики
Муфты серии KZE-BB с резьбой для выполнения соединения предназначены для использования в составе различных устройств, когда установка должна производится под давлением и при малом количестве утечек либо их полном отсутствии. Муфты серии KZE-BB подходят для использования в соединительных устройствах гидравлических линий, например, гидроприводных ключах, поворотных соединениях и передвижных буровых устройствах, а также на разгрузочных линиях и саморазгружающихся прицепах, подключенных к «мокрым» трубопроводам гидравлических систем. Данные муфты могут применяться для погружных насосов, стендов для испытания двигателей, а также многих других установках, подключение которых происходит под высоким давлением или при максимальном уровне жидкости. Муфты серии KZE-BB обладают следующими особенностями:
|
|||||
Технические характеристики розетки БРС LSQ KZE-BB Дн132х1 1/4″ Ру207, с присоединением внутренняя резьба NPT1 1/4″, диаметром стыка Dn132, корпусом - латунь, уплотнением NBR:
|
![]() Розетка БРС LSQ KZE-BB Дн132х1 1/4″ Ру207, присоединение внутренняя резьба NPT1 1/4″, диаметр стыка Dn132, корпус - латунь, уплотнение NBR |
||||
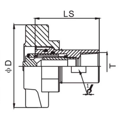
Габаритные и установочные размеры розетки БРС LSQ KZE-BB Дн132х1 1/4″ Ру207, с присоединением внутренняя резьба NPT1 1/4″, диаметром стыка Dn132, корпусом - латунь, уплотнением NBR:
|
![]() Эскиз размеров розетки БРС LSQ KZE-BB Дн132х1 1/4″ Ру207, с присоединением внутренняя резьба NPT1 1/4″, диаметром стыка Dn132, корпусом - латунь, уплотнением NBR |
||||
Материалы розетки БРС LSQ KZE-BB Дн132х1 1/4″ Ру207, с присоединением внутренняя резьба NPT1 1/4″, диаметром стыка Dn132, корпусом - латунь, уплотнением NBR:
|
Паспорта и сертификаты
Доставка
Мы осуществляем доставку по Москве, Московской области, и другим регионам Российской Федерации.
Доставка по г.Москва (в пределах МКАД) и МО осуществляется собственным транспортом или курьером.
Доставка в другие регионы осуществляется при помощи транспортных компаний (СДЭК, Деловые линии, Байкал Сервис).
Самовывоз. Вы сможете самостоятельно забрать заказ оформив самовывоз с нашего склада или пункта выдачи заказов.
Быстрый заказ
Вы можете отправить нам запрос на необходимые позиции и наш менеджер свяжется с вами в ближайшее время для формирования заказа