Муфта молочная в сборе DN.ru CM-31-E Ду50 Ру10 под приварку, корпус - пищевая нержавеющая сталь AISI 304, уплотнение - EPDM

Артикул: D270-19484   

О товаре

Артикул: D270-19484
Бренд: DN.ru
Страна производитель: Россия
Вид муфты: разъемный
Размеры муфты: Ду50
Материал корпуса: Нержавеющая сталь AISI/SS 304/08Х18Н10
Давление номинальное: 10 бар
Температура рабочей среды: 130°C
Уплотнение: EPDM
Применение: Пищевая промышленность
Все характеристики
на 2026-12-31
4 772,03
Гарантия 12 месяцев
Возможна отсрочка до 90 дней
В избранное
Бесплатная доставка до ТК
Сертифицированный товар

Характеристики

Муфта молочная используется в качестве быстроразъемного соединения, применяемого при монтаже трубопроводов и трубопроводной арматуры, а также при обвязке емкостного оборудования. Широко применяется в пищевой, химической и фармацевтической промышленности, где требуется быстрая сборка и разборка соединения для частой очистки и дезинфекции системы.

Общие параметры муфты молочной в сборе DN.ru CM-31-E Ду50 Ру10 под приварку:

  • Диаметр корпуса DN - 50 мм
  • Присоединение - сварка
  • Тип фитинга - Муфты
  • Давление номинальное PN - 10 бар
  • Материал корпуса - Нержавеющая сталь AISI/SS 304/08Х18Н10
  • Область применения - Пищевая промышленность
  • Тип присоединения - Под приварку
  • Температура рабочей среды - от -20°C до +130°C
  • Страна производитель - Россия
  • Вес - 0.76 кг
Муфта молочная в сборе DN.ru CM-31-E Ду50 Ру10 под приварку, корпус - пищевая нержавеющая сталь AISI 304, уплотнение - EPDM

Муфта молочная в сборе DN.ru CM-31-E Ду50 Ру10 под приварку, корпус - пищевая нержавеющая сталь AISI 304, уплотнение - EPDM

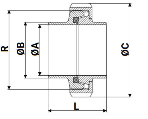
Габаритные размеры муфты молочной в сборе DN.ru CM-31-E Ду50 Ру10 под приварку:

  • L - 57 мм
  • ØA - 50 мм
  • ØB - 55 мм
  • ØC - 92 мм
  • R - RD78x1/6
Муфта молочная в сборе DN.ru CM-31-E Ду50 Ру10 под приварку, корпус - пищевая нержавеющая сталь AISI 304, уплотнение - EPDM

Эскиз габаритных размеров муфты молочной в сборе DN.ru CM-31-E Ду50 Ру10 под приварку

Таблица деталей и материалов муфты молочной в сборе DN.ru CM-31-E Ду50 Ру10 под приварку:

№ п/п Наименование детали Материал
1 Гайка накидная пищевая нержавеющая сталь AISI 304 (аналог 08Х18Н10)
2 Штуцер конический пищевая нержавеющая сталь AISI 304 (аналог 08Х18Н10)
3 Уплотнение EPDM
4 Штуцер резьбовой пищевая нержавеющая сталь AISI 304 (аналог 08Х18Н10)
Муфта молочная в сборе DN.ru CM-31-E Ду50 Ру10 под приварку, корпус - пищевая нержавеющая сталь AISI 304, уплотнение - EPDM

Эскиз деталей и материалов муфты молочной в сборе DN.ru CM-31-E Ду50 Ру10 под приварку

Аналоги

График сравнения цен муфт*. При клике на точку графика получите развернутую информацию.

*Муфты подобраны по следующим параметрам: Тип системы водоснабжения - Металл, тип муфты - Стальная, вид фитинга - разъемный, давление номинальное - 10 бар, Ду50, присоединение - сварка

5,000
4,000
3,000
2,000
1,000
0
DN.ru
CM-31-S
DN.ru
CM-31-E

Доставка

Условия доставки:

Мы осуществляем доставку по Москве, Московской области, и другим регионам Российской Федерации.

Доставка по г.Москва (в пределах МКАД) и МО осуществляется собственным транспортом или курьером.

Доставка в другие регионы осуществляется при помощи транспортных компаний (СДЭК, Деловые линии, Байкал Сервис).

Самовывоз. Вы сможете самостоятельно забрать заказ оформив самовывоз с нашего склада или пункта выдачи заказов.

Быстрый заказ

Вы можете отправить нам запрос на необходимые позиции и наш менеджер свяжется с вами в ближайшее время для формирования заказа

Нажмите, чтобы загрузить файлы или перетащите сюда
Максимальный размер файла - 10 Мб. Типы файлов: jpg, jpeg, png, xls, xlsx, doc, docx, pdf.