Шаговый серводвигатель Yako YK385EC156A1 с энкодером 1000PPR, фланец - NEMA 34 (86мм), угол шага - 1.2гр, крутящий момент - 12Нм, IP54

Артикул: D300-17692   

О товаре

Артикул:
D300-17692
Бренд:
Yako
Тип изделия:
Электродвигатель
Тип электродвигателя:
Шаговый
Номинальный ток In:
3 А
Все характеристики
на 2026-02-26
Гарантия 12 месяцев
Возможна отсрочка до 90 дней
В избранное
Бесплатная доставка до ТК
Сертифицированный товар

Характеристики

Шаговый двигатель — это синхронный бесщёточный электродвигатель с несколькими обмотками, в котором ток, подаваемый в одну из обмоток статора, вызывает фиксацию ротора. Последовательная активация обмоток двигателя вызывает дискретные угловые перемещения (шаги) ротора. В отличие от сервоприводов, шаговые приводы позволяют получать точное позиционирование без использования обратной связи от датчиков углового положения. Шаговые двигатели широко применяются в станках ЧПУ, системах автоматизации и управляются специальными устройствами — драйверами шагового двигателя.

Технические характеристики шагового серводвигателя Yako YK385EC156A1

  • Тип изделия - Электродвигатель
  • Вариант исполнения электродвигателя - Синхронный
  • Тип электродвигателя - Шаговый
  • Бренд - Yako
  • Серия - YK
  • Тип исполнения для фланцев - NEMA 34 (86мм)
  • Номинальный ток - 3 А
  • Количество фаз - 2 шт
  • Диапазон рабочих температур окружающей среды - от 0°C до +50°C
  • Относительная влажность - не более 85%
  • Степень защиты - IP54
  • Наличие энкодера - С энкодером (closed loop)
  • Обработка вала - Шпонка
  • Крутящий момент - 12 Нм
  • Встроенный тормоз - Нет
  • Диаметр вала электродвигателя - 14 мм
  • Угловой шаг - 1.2 °
  • Гарантийный срок эксплуатации - 6 мес.
  • Вес - 6.4 кг

Изображение шагового серводвигателя Yako YK385EC156A1

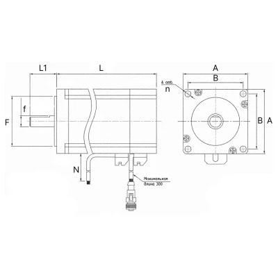
Габаритные и установочные размеры шагового серводвигателя Yako YK385EC156A1

  • L1, мм - 40 мм
  • L, мм - 176 мм
  • f, мм - 14 мм
  • A, мм - 85 мм
  • B, мм - 69.6 мм
  • n, мм - 6.5 мм
  • N, мм - 300 мм

Эскиз габаритов шагового серводвигателя Yako YK385EC156A1

Паспорта и сертификаты

Доставка

Условия доставки:

Мы осуществляем доставку по Москве, Московской области, и другим регионам Российской Федерации.

Доставка по г.Москва (в пределах МКАД) и МО осуществляется собственным транспортом или курьером.

Доставка в другие регионы осуществляется при помощи транспортных компаний (СДЭК, Деловые линии, Байкал Сервис).

Самовывоз. Вы сможете самостоятельно забрать заказ, оформив самовывоз с нашего склада или пункта выдачи заказов.

Быстрый заказ

Вы можете отправить нам запрос на необходимые позиции и наш менеджер свяжется с вами в ближайшее время для формирования заказа

Нажмите, чтобы загрузить файлы или перетащите сюда
Максимальный размер файла - 10 Мб. Типы файлов: jpg, jpeg, png, xls, xlsx, doc, docx, pdf.