Электродвигатель ПРАКТИК АИС 63 В4 общепромышленный, монтажное исполнение IM2081, мощность - 0.18кВт, частота вращения ~1500об/мин

Артикул: D300-15081   

О товаре

Артикул: D300-15081
Бренд: ПРАКТИК
Страна производитель: Россия
Тип электродвигателя: асинхронный
Модель: 63
Тип изделия: Электродвигатель
Напряжение: 380В
Частота: 50 Гц
КПД: 60 %
Мощность: 0.18 кВт
Тип тока питания: Переменный
Количество полюсов: 4
Коэффициент мощности: 0.73
Частота вращения: ~ 1500 об/мин
Все характеристики
на 2025-10-27
9 600
Гарантия 12 месяцев
Возможна отсрочка до 90 дней
В избранное
Бесплатная доставка до ТК
Сертифицированный товар

Характеристики

Электродвигатели асинхронные трехфазные основного исполнения серии АИС (аналоги серий 5А, 6А, AIS, ESQ, IMM, RA) производятся по IEC 60034-1-2014 и DIN EN 50347:2003. Рассчитаны для работы в режиме S1 от сети переменного тока 50 Гц (60 Гц), напряжение 380 В (220/380 В, 380/660 В). Стандартная степень защиты IP54-IP55, климатическое исполнение и категория размещения У3-У1, класс изоляции F, метод охлаждения IC411. Электродвигатели предназначены для оборудования, соответствующего евростандартам. Используются в различных отраслях промышленности для привода механизмов, не требующих регулирования частоты вращения (редукторы, насосы, вентиляторы, компрессоры и др.).

Технические характеристики электродвигателя ПРАКТИК АИС 63 В4 общепромышленного, монтажное исполнение IM2081, мощность - 0.18кВт, частота вращения ~1500об/мин

  • Тип изделия - Электродвигатель
  • Вариант исполнения электродвигателя - Общепромышленный
  • Тип электродвигателя - асинхронный
  • Бренд - ПРАКТИК
  • Напряжение - 380В
  • Взрывозащита - нет
  • Mодель приводa - 63
  • Тип крепления - комбинированный
  • Серия - АИС
  • Частота - 50 Гц
  • Тип тока питания - Переменный
  • Номинальная мощность - 0.18 кВт
  • КПД, %- 60
  • Количество полюсов - 4
  • Количество фаз - 3 шт
  • Класс нагревостойкости изоляции - F
  • Коэффициент мощности - 0.73
  • Вид ротора электропривода - Фазный
  • Частота вращения - 1500 об/мин
  • Высота оси вращения вала - 63 мм
  • Конструктивное исполнение - IM2081
  • Отношение максимального момента к номинальному - 2.2
  • Отношение пускового момента к номинальному - 2.1
  • Отношение пускового тока к номинальному - 4.4
  • Способ охлаждения - IC411
  • Окружающая среда - нейтральные среды
  • Гарантийный срок эксплуатации - 24 мес.
  • Страна производитель - Россия
  • Вес - 4.7 кг

Изображение электродвигателя ПРАКТИК АИС 63 В4 общепромышленного, монтажное исполнение IM2081, мощность - 0.18кВт, частота вращения ~1500об/мин

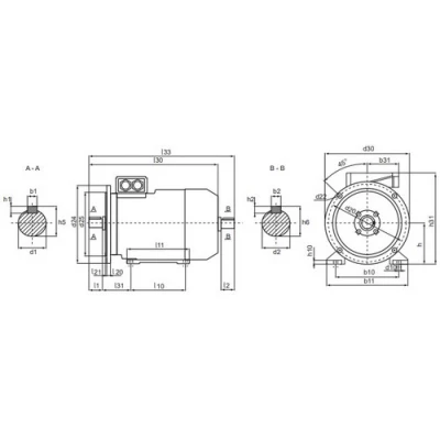
Габаритные и установочные размеры электродвигателя ПРАКТИК АИС 63 В4 общепромышленного, монтажное исполнение IM2081, мощность - 0.18кВт, частота вращения ~1500об/мин

  • l30 - 221 мм
  • l33 - 246 мм
  • h31 - 174 мм
  • d30 - 123 мм
  • l1 - 23 мм
  • l2 - 23 мм
  • l10 - 80 мм
  • l31 - 40 мм
  • d1 - 11 мм
  • d2 - 11 мм
  • d10 - 7 мм
  • b1 - 4 мм
  • b2 - 4 мм
  • b10 - 100 мм
  • b11 - 137 мм
  • h - 63 мм
  • h1 - 4 мм
  • h2 - 4 мм
  • h5 - 12.5 мм
  • h6 - 12.5 мм
  • h10 - 8 мм
  • l21 - 10 мм
  • d20 - 115 мм
  • d22 - 10 мм
  • d24 - 140 мм
  • d25 - 95 мм
  • l20 - 3 мм

Эскиз габаритов электродвигателя ПРАКТИК АИС 63 В4 общепромышленного, монтажное исполнение IM2081, мощность - 0.18кВт, частота вращения ~1500об/мин

Аналоги

График сравнения цен аналогичных электродвигателей*. При клике на точку графика получите развернутую информацию.

*Электродвигатели подобраны по следующим параметрам: Тип электродвигателя - асинхронный, вариант исполнения электродвигателя - Общепромышленный, монтажное исполнение - IM2081, количество полюсов - 4, частота вращения - 1500 об/мин, мощность - 0.18 кВт

13,000
10,400
7,800
5,200
2,600
0
Элси
АИР 56 IM2081
ЭЛМАШ
АИР 56 IM2081
ЭЛМАШ
АИС63, 220/380В, IM2081, корпус - алюминий
Элком
5AИ 56 B IM2081
Элси
АИР 56 IM2081
БЭЗ
АИР IM2081 алюминий
TDM
АИР 56 IM2081
IEK
АИР 56 IM2081 алюминий
IEK
АИС 63 IM2081 алюминий
ЭЛМАШ
АИС63, 220/380В, IM2081, корпус - алюминий

Доставка

Условия доставки:

Мы осуществляем доставку по Москве, Московской области, и другим регионам Российской Федерации.

Доставка по г.Москва (в пределах МКАД) и МО осуществляется собственным транспортом или курьером.

Доставка в другие регионы осуществляется при помощи транспортных компаний (СДЭК, Деловые линии, Байкал Сервис).

Самовывоз. Вы сможете самостоятельно забрать заказ оформив самовывоз с нашего склада или пункта выдачи заказов.

Быстрый заказ

Вы можете отправить нам запрос на необходимые позиции и наш менеджер свяжется с вами в ближайшее время для формирования заказа

Нажмите, чтобы загрузить файлы или перетащите сюда
Максимальный размер файла - 10 Мб. Типы файлов: jpg, jpeg, png, xls, xlsx, doc, docx, pdf.