Электродвигатель INNOVARI MB63A4 B14 трехфазный, монтажное исполнение B14, мощность - 0,12кВт, частота вращения - 1400об/мин, с тормозом

Артикул: D300-15663   

О товаре

Артикул:
D300-15663
Бренд:
Страна производитель:
Италия
Тип изделия:
Электродвигатель
Тип электродвигателя:
асинхронный
Напряжение:
220В / 380В
230В
280В
400В
42В
660/1140В
660В
690В
Мощность:
Частота вращения:
Все характеристики
на 2026-06-02
28 399,77
Гарантия 12 месяцев
Возможна отсрочка до 90 дней
В избранное
Бесплатная доставка до ТК
Сертифицированный товар
Другие размеры:

Характеристики

Асинхронные электродвигатели являются преобразователями электрической энергии в механическую. Электродвигатели предназначены для работы от сети переменного тока с напряжением и чистотой, указанными на их паспортных таблицах.

Технические характеристики электродвигателя INNOVARI MB63A4 B14

  • Тип изделия - Электродвигатель
  • Вариант исполнения электродвигателя - Общепромышленный
  • Тип электродвигателя - асинхронный
  • Бренд - INNOVARI
  • Напряжение - 220В, 380В
  • Тип крепления - фланец
  • Серия - MB
  • Номинальная мощность - 0.12 кВт
  • Количество фаз - 3
  • Класс нагревостойкости изоляции - F
  • Степень защиты - IP55
  • Частота вращения - 1400 об/мин
  • Конструктивное исполнение - B14
  • Страна производитель - Италия
  • Вес - 6.9 кг

Изображение электродвигателя INNOVARI MB63A4 B14

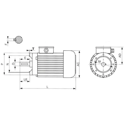
Габаритные и установочные размеры электродвигателя INNOVARI MB63A4 B14

  • AC - 123 мм
  • AD - 117 мм
  • D - 11 мм
  • E - 23 мм
  • F - 4 мм
  • L - 242 мм
  • LE - 23 мм
  • M - 75 мм
  • N - 60 мм
  • P - 90 мм
  • S - 2.5 мм

Эскиз габаритов электродвигателя INNOVARI MB63A4 B14

Аналоги

График сравнения цен аналогичных электродвигателей*. При клике на точку графика получите развернутую информацию.

*Электродвигатели подобраны по следующим параметрам: Тип электродвигателя - асинхронный, вариант исполнения электродвигателя - Общепромышленный, монтажное исполнение - B14, частота вращения - 1400 об/мин, мощность - 0.12 кВт

29,000
23,200
17,400
11,600
5,800
0
INNOVARI
MT B14
INNOVARI
MT B14
INNOVARI
MT
INNOVARI
MB B14

Доставка

Условия доставки:

Мы осуществляем доставку по Москве, Московской области, и другим регионам Российской Федерации.

Доставка по г.Москва (в пределах МКАД) и МО осуществляется собственным транспортом или курьером.

Доставка в другие регионы осуществляется при помощи транспортных компаний (СДЭК, Деловые линии, Байкал Сервис).

Самовывоз. Вы сможете самостоятельно забрать заказ, оформив самовывоз с нашего склада или пункта выдачи заказов.

Быстрый заказ

Вы можете отправить нам запрос на необходимые позиции и наш менеджер свяжется с вами в ближайшее время для формирования заказа

Нажмите, чтобы загрузить файлы или перетащите сюда
Максимальный размер файла - 10 Мб. Типы файлов: jpg, jpeg, png, xls, xlsx, doc, docx, pdf.