Электродвигатель линейный GYU3-S04A-3.0 мощность 0.0793кВт, тяговое усилие 224.4-740.5Н, корпус - алюминий

Артикул: D300-17307   

О товаре

Артикул:
D300-17307
Бренд:
Китай
Страна производитель:
Китай
Тип изделия:
Электродвигатель
Тип электродвигателя:
Линейный
Номинальный ток In:
4.4 А
Напряжение:
220В
24В
310В
36В
380В
48В
Мощность:
Материал корпуса:
Алюминий
Алюминиевый сплав
Все характеристики
на 2026-02-26
Гарантия 12 месяцев
Возможна отсрочка до 90 дней
В избранное
Бесплатная доставка до ТК
Сертифицированный товар

Характеристики

Линейный двигатель серии GYU выполнен без железного сердечника, с обмотками из полимерных материалов. Отсутствие магнитного притяжения между двигателем и статором положительно влияет на динамические характеристики системы.

Технические характеристики электродвигателя линейного GYU3-S04A-3.0

  • Тип изделия - Электродвигатель
  • Вариант исполнения электродвигателя - Синхронный
  • Тип электродвигателя - Линейный
  • Бренд - Китай
  • Напряжение - 220В
  • Серия - GYU
  • Номинальная мощность - 0.0793 кВт
  • Номинальный ток - 4.4 А
  • Материал корпуса - Алюминий
  • Страна производитель - Китай
  • Вес - 1.3 кг

Изображение электродвигателя линейного GYU3-S04A-3.0

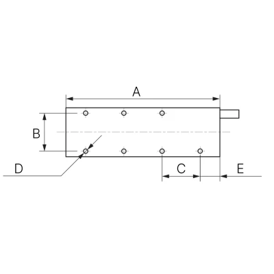
Габаритные и установочные размеры электродвигателя линейного GYU3-S04A-3.0

  • A - 241 мм
  • B - 28 мм
  • C - 30 мм
  • E - 15.5 мм
  • D - M15

Эскиз габаритов электродвигателя линейного GYU3-S04A-3.0

Паспорта и сертификаты

Доставка

Условия доставки:

Мы осуществляем доставку по Москве, Московской области, и другим регионам Российской Федерации.

Доставка по г.Москва (в пределах МКАД) и МО осуществляется собственным транспортом или курьером.

Доставка в другие регионы осуществляется при помощи транспортных компаний (СДЭК, Деловые линии, Байкал Сервис).

Самовывоз. Вы сможете самостоятельно забрать заказ, оформив самовывоз с нашего склада или пункта выдачи заказов.

Быстрый заказ

Вы можете отправить нам запрос на необходимые позиции и наш менеджер свяжется с вами в ближайшее время для формирования заказа

Нажмите, чтобы загрузить файлы или перетащите сюда
Максимальный размер файла - 10 Мб. Типы файлов: jpg, jpeg, png, xls, xlsx, doc, docx, pdf.