Автоматический выключатель трехполюсный EKF PROxima BA47-63N 3P 25А (C) 4.5кA с электромагнитным расцепителем, сила тока 25А, тип расцепления C, отключающая способность 4.5кА M634325C
О товаре
Другие модели
Характеристики
| Выключатели автоматические серии ВА 47-63N являются механическими коммутационными аппаратами и применяются для оперативных включений и отключений в электрических сетях переменного тока, а также защиты от токов перегрузки и коротких замыканий в жилых и общественных сооружениях. Выключатель автоматический соответствует ГОСТ IEC 60898-1. Особенностью данной серии автоматических выключателей является усовершенствованная конструкция. Выключатели автоматические имеют пластиковые крышки, закрывающие доступ к винтовым зажимам и служащие для опломбирования автоматических выключателей, что исключает несанкционированный доступ к проводникам. Выключатель автоматический оборудован удобной рукояткой управления, обеспечивающей надежное оперирование устройством. На лицевой панели автоматического выключателя имеется индикатор физического положения главных контактов. | |
Параметры автоматического выключателя трехполюсного EKF PROxima BA47-63N 3P 25А (С) 6кА:
|
Автоматический выключатель трехполюсный EKF PROxima BA47-63N 3P 25А (C) 4.5кA с электромагнитным расцепителем, сила тока 25А, тип расцепления C, отключающая способность 4.5кА M634325C |
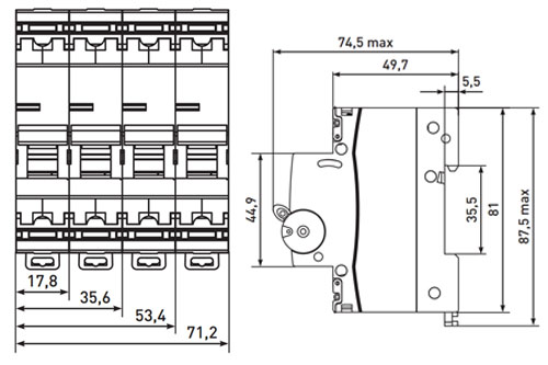
Габаритные и установочные размеры автоматического выключателя трехполюсного EKF PROxima BA47-63N 3P 25А (С) 6кА:
|
![]() Эскиз габаритных размеров автоматического выключателя трехполюсного EKF PROxima BA47-63N 3P 25А (С) 6кА |
Паспорта и сертификаты
Аналоги
График сравнения цен аналогичных автоматических выключателей, УЗО и диф автоматов*. При клике на точку графика получите развернутую информацию.
*Автоматические выключатели, УЗО и Диф автоматы подобраны по следующим параметрам: Вид электрики - Автоматический выключатель, наибольшая отключающая способность Icn - 6000 A, напряжение питания - 400В, количество полюсов - 3
Доставка
Мы осуществляем доставку по Москве, Московской области, и другим регионам Российской Федерации.
Доставка по г.Москва (в пределах МКАД) и МО осуществляется собственным транспортом или курьером.
Доставка в другие регионы осуществляется при помощи транспортных компаний (СДЭК, Деловые линии, Байкал Сервис).
Самовывоз. Вы сможете самостоятельно забрать заказ, оформив самовывоз с нашего склада или пункта выдачи заказов.
Быстрый заказ
Вы можете отправить нам запрос на необходимые позиции и наш менеджер свяжется с вами в ближайшее время для формирования заказа
