Автоматический воздухоотводчик ABRA-AV01F предназначен для автономного удаления воздуха из систем отопления и водоснабжения, а также для впуска воздуха при их опорожнении. Его работа предотвращает образование воздушных пробок, защищает оборудование от коррозии и кавитации, повышая эффективность и срок службы всей системы. Клапан отличается надежностью: корпус имеет усиленную конструкцию и антикоррозионное покрытие. Для удобства обслуживания предусмотрена съемная крышка, позволяющая провести осмотр без демонтажа с трубопровода. Дополнительным преимуществом является резьбовое отверстие на крышке для установки вспомогательного воздухоотводчика. Важно: запрещено открывать крышку при работающем давлении в системе. |
Технические параметры воздухоотводчика автоматического (вантуз) ABRA-AV01F Ду40-200 Ру10/16 фланцевого| Характеристика | Значение |
|---|
| Номинальный диаметр DN, мм | 40 - 200 | | Рабочее давление PN, бар | 10/16 | | Температура рабочей среды t, °C | от -10 до +70 | | Рабочая среда | вода | | Присоединение к трубопроводу | фланцевое | | Материал корпуса | чугун GGG50 | | Материал уплотнения | NBR | | Сферы применения | водоснабжение, отопление |
|  Изображение воздухоотводчика автоматического (вантуз) ABRA-AV01F Ду40-200 Ру10/16 фланцевого |
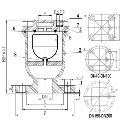
Габариты и размеры воздухоотводчика автоматического (вантуз) ABRA-AV01F Ду40-200 Ру10/16 фланцевого| Модель | | | | | | | | |
|---|
| ABRA-AV01F-040-16 | 192 | 34 | 12 | 130 | 100 | 110 | 150 | 3/4 " | | ABRA-AV01F-050-16 | 199 | 44 | 14 | 134 | 104 | 125 | 165 | 3/4 " | | ABRA-AV01F-080-16 | 249 | 50 | 14 | 144 | 111 | 160 | 200 | 3/4 " | | ABRA-AV01F-100-16 | 352 | 85 | 14 | 205 | 165 | 180 | 220 | 3/4 " | | ABRA-AV01F-150-16 | 420 | 120 | 15 | 308 | 270 | 240 | 285 | 3/4 " | | ABRA-AV01F-200-16 | 490 | 170 | 15 | 361 | 325 | 295 | 340 | 3/4 " | | ABRA-AV01F-200-10 | 490 | 170 | 15 | 361 | 325 | 295 | 340 | 3/4 " |
|  Эскиз габаритов воздухоотводчика автоматического (вантуз) ABRA-AV01F Ду40-200 Ру10/16 фланцевого |
Деталировка воздухоотводчика автоматического (вантуз) ABRA-AV01F Ду40-200 Ру10/16 фланцевого| № | Наименование | Материал |
|---|
| 1, 3 | Корпус, крышка | Чугун DIN GGG50 | | 2 | Поплавок | Нержавеющая сталь JIS SUS304 (AISI/SAE304) | | 5, 8, 7 | Уплотнения | NBR (по умолчанию) | | 4, 6 | Крепеж и пробка | Углеродистая сталь с ТДЦ или аналогичным покрытием |
| |