Соединители редукционные врезные Viega Megapress 3241.1 Ду20x1/2″ Ру16, внутренняя / наружная резьба
Сортировать по:
актуальности
Поделиться ссылкой на подборку
Артикул: D450-00308
Тип присоединения: муфтовый (резьбовой)
Бренд: Viega, Германия
Тип фитинга: соединители
Материал корпуса: бронза
Температура рабочей среды максимальная: 110 °C
Присоединение: внутренняя / наружная резьба
Размер: Ду20
Вес: 0.30 кг
на 2024-07-10
855,67
₽
|
Соединители редукционные врезные Viega Megapress предназначены для соединения стальных труб, корпус материала бронза. Присоединение внутренняя / наружная резьба. Областью применения фитинга являются закрытые системы тепло- и холодоснабжения, сжатого воздуха, системы пожаротушения, промышленности. |
||||||||||||||||||||||||||||||||||
Технические характеристики соединителей редукционных врезных Viega Megapress 3241.1 Ду20x1/2 Ру16, ВР/НР
|
Соединители редукционные врезные Viega Megapress 3241.1 Ду20x1/2″ Ру16, внутренняя / наружная резьба |
|||||||||||||||||||||||||||||||||
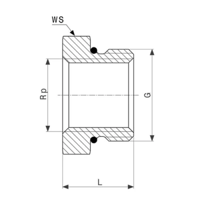
Габаритные и установочные размеры соединителей редукционных врезных Viega Megapress 3241.1 Ду20x1/2 Ру16, ВР/НР
|
Эскиз габаритных размеров соединителей редукционных врезных Viega Megapress 3241.1 Ду20x1/2 Ру16, ВР/НР |
|||||||||||||||||||||||||||||||||
Быстрый заказ
Вы можете отправить нам запрос на необходимые позиции и наш менеджер свяжется с вами в ближайшее время для формирования заказа
Нажмите, чтобы загрузить файлы или перетащите сюда
Максимальный размер файла - 10 Мб. Типы файлов: jpg, jpeg, png, xls, xlsx, doc, docx, pdf.
.jpg)
.jpg)

