Радиаторы стальные панельные ROMMER Compact Hygiene, тип 20, высота - 200, длина - 600мм, теплоотдача - 670Вт, подключение - боковое, материал - сталь, цвет - белый

СТМ многоступенчатые насосы 2
СТМ многоступенчатые насосы 2-mobile
КИПиА Акваконтроль 2
КИПиА Акваконтроль 2-mobile

Радиаторы стальные панельные ROMMER Compact Hygiene, тип 20, высота - 200, длина - 600мм, теплоотдача - 670Вт, подключение - боковое, материал - сталь, цвет - белый предназначены для применения в закрытых независимых однотрубных и двухтрубных системах водяного отопления жилых, административных и общественных зданий, в том числе медицинских и детских учреждений.

Технические параметры радиаторов стальных панельных ROMMER Compact Hygiene, тип 20, высота - 200

ХарактеристикаЗначение
Тип радиатораПанельный
Применениетеплоснабжение
Максимальная температура, °C120
Рабочее максимальное давление, бар10
Тип подключенияБоковое
Сторона подключенияУниверсальный
Диаметр подключения1/2" внутренняя резьба
Межосевое расстояние, мм149
Высота, мм200
БрендROMMER
Страна производительРоссия
Радиаторы стальные панельные ROMMER Compact Hygiene, тип 20, высота - 200, длина - 600мм, теплоотдача - 670Вт, подключение - боковое, материал - сталь, цвет - белый

Изображение радиаторов стальных панельных ROMMER Compact Hygiene, тип 20, высота - 200

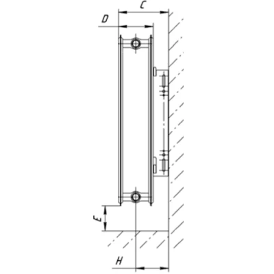
Габаритные и установочные размеры радиаторов стальных панельных ROMMER Compact Hygiene, тип 20, высота - 200

МодельC, ммD, ммE, не менее, ммH, мм
200х600202102105145
Радиаторы стальные панельные ROMMER Compact Hygiene, тип 20, высота - 200, длина - 600мм, теплоотдача - 670Вт, подключение - боковое, материал - сталь, цвет - белый

Эскиз габаритов радиаторов стальных панельных ROMMER Compact Hygiene, тип 20, высота - 200

Быстрый заказ

Вы можете отправить нам запрос на необходимые позиции и наш менеджер свяжется с вами в ближайшее время для формирования заказа

Нажмите, чтобы загрузить файлы или перетащите сюда
Максимальный размер файла - 10 Мб. Типы файлов: jpg, jpeg, png, xls, xlsx, doc, docx, pdf.