Конвекторы настенные концевые Универсал К У-А М Ру10, теплоотдача - 0.571-0.848кВт, корпус - сталь, подключение - боковое

СТМ многоступенчатые насосы 2
СТМ многоступенчатые насосы 2-mobile
КИПиА Акваконтроль 2
КИПиА Акваконтроль 2-mobile

Конвекторы предназначены для систем отопления жилых, общественных и производственных зданий с температурой теплоносителя до 120˚С и рабочим избыточным давлением до 1.0 МПа (10 кгс/см2), обеспечивают поддержание комфортных температурных условий в отапливаемом помещении и экономии теплоэнергии за счет регулирования теплоотдачи.

Технические параметры конвекторов настенных концевых Универсал К У-А М Ру10

ХарактеристикаЗначение
Группа климатического оборудованияКонвекторы отопления
Вид системы отопленияДвухтрубная
Присоединениерезьбовое,под приварку
Тип конвекцииестественная
Возможность вертикальной установкиНет
Материал корпусаСталь
Рабочее давление10 бар
Максимальная температура теплоносителя120 °C
Цветбелый
БрендУниверсал
СтранаРоссия
Конвекторы настенные концевые Универсал К У-А М Ру10, теплоотдача - 0.571-0.848кВт, корпус - сталь, подключение - боковое

Изображение конвекторов настенных концевых Универсал К У-А М Ру10

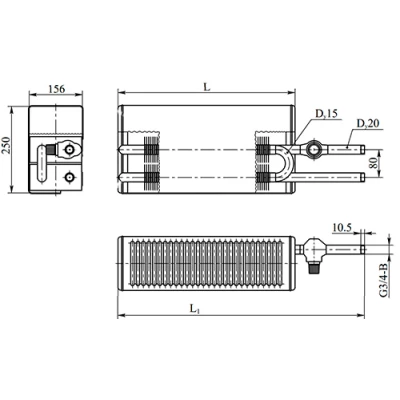
Габаритные и установочные размеры конвекторов настенных концевых Универсал К У-А М Ру10

МодельL, ммL1, мм
0.571 кВт598766
0.718 кВт694862
0.848 кВт790958
Конвекторы настенные концевые Универсал К У-А М Ру10, теплоотдача - 0.571-0.848кВт, корпус - сталь, подключение - боковое

Эскиз габаритов конвекторов настенных концевых Универсал К У-А М Ру10

Быстрый заказ

Вы можете отправить нам запрос на необходимые позиции и наш менеджер свяжется с вами в ближайшее время для формирования заказа

Нажмите, чтобы загрузить файлы или перетащите сюда
Максимальный размер файла - 10 Мб. Типы файлов: jpg, jpeg, png, xls, xlsx, doc, docx, pdf.