Насосы (агрегаты) центробежные двустороннего входа типа Д, 1Д, 2Д предназначены для перекачивания воды и химически активных нетоксичных жидкостей плотностью до 1100кг/м³, вязкостью до 60 сСт, температурой до + 80°С.
Содержание твердых включений по размеру не более 0,2 мм и по массе не
более 0,05%. Насосы и агрегаты изготавливаются в климатическом исполнении и категории размещения УХЛ 3.1
Различные исполнения по материалам проточной части позволяют применять насосы во многих областях промышленности и использовать как для перекачивания воды, так и для перекачивания морской воды, пластовой воды и химически активных нетоксичных жидкостей.
Разные диаметры рабочих колес дают параметры Напор-Подача под любое ТЗ Заказчика. Рабочее колесо двухстороннего входа уравновесит осевые силы и снизит нагрузки на подшипники. Горизонтальный разъем корпуса насоса и крышки насоса позволяет ремонтировать насос на месте эксплуатации без демонтажа трубопроводов. |
Технические параметры насосов центробежных ПРАКТИК 1Д 1250-2Д 2000 поверхностных, без двигателя| Характеристика | Значение |
|---|
| Страна производитель | Россия | | Материал корпуса | Чугун серый GG20/СЧ20/EN-GJL-200 | | Сегмент | промышленный | | Положение | горизонтальный | | Конструкция насоса | центробежный | | Назначение | водяной | | Температура рабочей среды, °C | 80 | | Тип | насосы |
|  Изображение насосов центробежных ПРАКТИК 1Д 1250-2Д 2000 поверхностных, без двигателя |
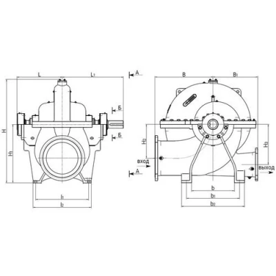
Габариты и размеры насосов центробежных ПРАКТИК 1Д 1250-2Д 2000 поверхностных, без двигателя| Модель | L, мм | L1, мм | B, мм | B1, мм | H, мм | H2, мм | H2, мм | H3, мм | b, мм | b1, мм | b2, мм |
|---|
| 1Д 1250-63 без рамы без э/дв | 562 | 775 | 650 | 470 | 1100 | 615 | 280 | 375 | 420 | 560 | 700 | | 1Д 1250-125 без рамы без э/дв | 652 | 937 | 700 | 540 | 1245 | 635 | 320 | 433 | 400 | 600 | 800 | | 1Д 1250-63 на раме без э/дв | 562 | 775 | 650 | 470 | 1100 | 615 | 280 | 375 | 420 | 560 | 700 | | 1Д 1250-125 на раме без э/дв | 652 | 937 | 700 | 540 | 1245 | 635 | 320 | 433 | 400 | 600 | 800 | | 1Д 1600-90 на раме без э/дв | 562 | 775 | 650 | 500 | 1221 | 690 | 380 | 450 | 420 | 600 | 700 | | 1Д 1600-90 без рамы без э/дв | 562 | 775 | 650 | 500 | 1221 | 690 | 380 | 450 | 420 | 600 | 700 | | 2Д 2000-21 без рамы без э/дв | 687 | 900 | 750 | 600 | 1329 | 775 | 410 | 450 | 580 | 740 | 900 | | 2Д 2000-21 на раме без э/дв | 687 | 900 | 750 | 600 | 1329 | 775 | 410 | 450 | 580 | 740 | 900 |
|  Эскиз габаритов насосов центробежных ПРАКТИК 1Д 1250-2Д 2000 поверхностных, без двигателя |
| I1, мм | I2, мм |
|---|
| 600 | 720 | | 560 | 690 | | 600 | 720 | | 560 | 690 | | 620 | 700 | | 620 | 700 | | 840 | 920 | | 840 | 920 |
| |