Энкодеры абсолютные Baumer HMG10-T-SSI Ду122 многооборотные, SSI, код Грея, сквозной полый вал - 16мм, материал корпуса - алюминий, напряжение - 4.75-30В, 13/16bit, IP66/67
Сортировать по:
актуальности
Поделиться ссылкой на подборку
Артикул: D070-11429
Бренд: Baumer
Страна производитель: Швейцария
Тип КИПиА: датчики
Тип датчиков: энкодеры
Подтип датчиков: энкодеры абсолютные
Вес: 1.60 кг
на 2025-11-10
10 268,71
₽
Абсолютные энкодеры Baumer серии HMG10-T применяются для определения абсолютного положения на машинах и установках в различных отраслях промышленности. | |||||||||||||||||
Технические параметры энкодеров абсолютных Baumer HMG10-T-SSI
| Изображение энкодеров абсолютных Baumer HMG10-T-SSI | ||||||||||||||||
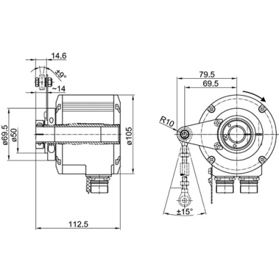
Габаритные и установочные размеры энкодеров абсолютных Baumer HMG10-T-SSI
| Эскиз габаритов энкодеров абсолютных Baumer HMG10-T-SSI | ||||||||||||||||
Быстрый заказ
Вы можете отправить нам запрос на необходимые позиции и наш менеджер свяжется с вами в ближайшее время для формирования заказа
Нажмите, чтобы загрузить файлы или перетащите сюда
Максимальный размер файла - 10 Мб. Типы файлов: jpg, jpeg, png, xls, xlsx, doc, docx, pdf.
.jpg)
.jpg)

