Датчики индуктивные Prompower KJ112 резьбовые, монтаж - заподлицо, расстояние срабатывания - 4мм, материал корпуса - никелированная латунь, IP67

СТМ многоступенчатые насосы 2
СТМ многоступенчатые насосы 2-mobile
КИПиА Акваконтроль 2
КИПиА Акваконтроль 2-mobile

Индуктивные бесконтактные датчики относятся к датчикам положения с коммутационным выходом, в которых используется физический эффект изменения параметров колебательного контура из-за возникновения вихревых токов в проводящем материале. Колебательный контур LC генерирует высокочастотное электромагнитное поле, которое излучается индуктивной поверхностью датчика. При вхождении в поле токопроводящего предмета по закону электромагнитной индукции образуется вихревой ток, который рассеивает энергию колебательного контура и тем самым уменьшает его электрические параметры (амплитуда, частота тока). Это изменение преобразуется в сигнал переключения. Индуктивный датчик способен обнаружить любой металл, независимо от того, движется он или неподвижен.

Технические параметры датчиков индуктивных Prompower KJ112 резьбовых

ХарактеристикаЗначение
Тип КИПиАдатчики индуктивные
Напряжение питания, В10-36В
Температура окружающей среды, °Cот -25°C до +70°C
Степень защиты корпуса, IPIP67
БрендPrompower
Страна производительКитай
Датчики индуктивные Prompower KJ112 резьбовые, монтаж - заподлицо, расстояние срабатывания - 4мм, материал корпуса - никелированная латунь, IP67

Изображение датчиков индуктивных Prompower KJ112 резьбовых

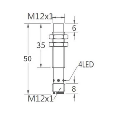
Габаритные и установочные размеры датчиков индуктивных Prompower KJ112 резьбовых

МодельДлина, ммДиаметр
KJ112-D04PB-DS1250-LY50M12
KJ112-D04PB-D350-LY50M12
KJ112-D04PA-DS1250-LY50M12
KJ112-D04PA-D350-LY50M12
KJ112-D04NB-DS1250-LY50M12
KJ112-D04NA-DS1250-LY50M12
KJ112-D04NA-D350-LY50M12
KJ112-D04NB-D350-LY50M12
Датчики индуктивные Prompower KJ112 резьбовые, монтаж - заподлицо, расстояние срабатывания - 4мм, материал корпуса - никелированная латунь, IP67

Эскиз габаритов датчиков индуктивных Prompower KJ112 резьбовых

Деталировка датчиков индуктивных Prompower KJ112 резьбовых

Наименование деталиМатериал
1Корпусникелированная латунь

Быстрый заказ

Вы можете отправить нам запрос на необходимые позиции и наш менеджер свяжется с вами в ближайшее время для формирования заказа

Нажмите, чтобы загрузить файлы или перетащите сюда
Максимальный размер файла - 10 Мб. Типы файлов: jpg, jpeg, png, xls, xlsx, doc, docx, pdf.