Тройники короткие LEADTEK, корпус - нержавеющая сталь AISI304 (CF8), присоединение - под приварку, SMS стандарт

NY2026 - all categories (2)
NY2026 - all categories (2)-mobile
Aquaflame 2026 (2)
Aquaflame 2026 (2)-mobile
СТМ многоступенчатые насосы 2
СТМ многоступенчатые насосы 2-mobile
КИПиА Акваконтроль 2
КИПиА Акваконтроль 2-mobile

Тройники короткие LEADTEK, корпус - нержавеющая сталь AISI304 (CF8), присоединение - под приварку, SMS стандарт.

Технические параметры тройников коротких LEADTEK, корпус - нержавеющая сталь AISI304 (CF8), присоединение - под приварку, SMS стандарт

ХарактеристикаЗначение
Тип фитингатройники
Тип тройникаравнопроходной
Класс материала корпусасталь
Материал корпусаНержавеющая сталь AISI/SS 304/08Х18Н10
Тип присоединенияпод приварку
БрендLEADTEK
Страна производительКитай
Тройники короткие LEADTEK, корпус - нержавеющая сталь AISI304 (CF8), присоединение - под приварку, SMS стандарт

Изображение тройников коротких LEADTEK, корпус - нержавеющая сталь AISI304 (CF8), присоединение - под приварку, SMS стандарт

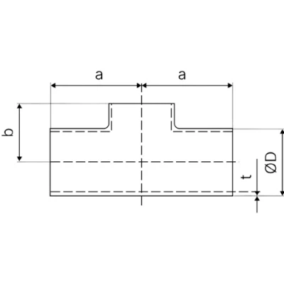
Габариты и размеры тройников коротких LEADTEK, корпус - нержавеющая сталь AISI304 (CF8), присоединение - под приварку, SMS стандарт

МодельØD, ммa, ммb, ммt, мм
Дн50.8х1.550.881291.25
Тройники короткие LEADTEK, корпус - нержавеющая сталь AISI304 (CF8), присоединение - под приварку, SMS стандарт

Эскиз габаритов тройников коротких LEADTEK, корпус - нержавеющая сталь AISI304 (CF8), присоединение - под приварку, SMS стандарт

Быстрый заказ

Вы можете отправить нам запрос на необходимые позиции и наш менеджер свяжется с вами в ближайшее время для формирования заказа

Нажмите, чтобы загрузить файлы или перетащите сюда
Максимальный размер файла - 10 Мб. Типы файлов: jpg, jpeg, png, xls, xlsx, doc, docx, pdf.