Серводвигатели бесколлекторные (BLDC) LEADSHINE BLM мощность 0.09-0.18кВт, фланец - NEMA 23 (57мм), частота вращения ~3000об/мин, корпус - алюминий

СТМ многоступенчатые насосы 2
СТМ многоступенчатые насосы 2-mobile
КИПиА Акваконтроль 2
КИПиА Акваконтроль 2-mobile

Бесщеточные сервоприводы с напряжением питания до 80 В построены на базе BLDC синхронных электродвигателей с энкодером и драйвера. BLDC серводвигатели менее мощные, чем PMSM (мощность до 200 Вт), стоимость их ниже и сравнима со стоимостью шаговых двигателей, установлен энкодер 1000 PPR и датчики Холла, скорость вращения до 3000 об/мин. Напряжение питания 36 В. PMSM и BLDC серводвигатели управляются драйверами Leadshine ACS306, ACS606, ACS806. Сервоприводы используются в плоттерах, принтерах, станках ЧПУ, упаковочном оборудовании, раскроечном оборудовании и пр. Сервоприводы предназначены для приложений, в которых требуются минимальные вибрации, низкий уровень шума, высокая скорость и точность.

Технические параметры серводвигателя бесколлекторного (BLDC) LEADSHINE BLM

ХарактеристикаЗначение
Вариант исполнения электродвигателяСинхронный
Тип электродвигателяСерводвигатель
Страна производительКитай

Изображение серводвигателя бесколлекторного (BLDC) LEADSHINE BLM

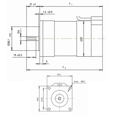
Габариты и размеры серводвигателя бесколлекторного (BLDC) LEADSHINE BLM

Модельd, ммL1, ммL2, мм
BLDC BLM57090-10006.35100121
BLDC BLM57130-10008120141
BLDC BLM57180-10008140161

Эскиз серводвигателя бесколлекторного (BLDC) LEADSHINE BLM

Быстрый заказ

Вы можете отправить нам запрос на необходимые позиции и наш менеджер свяжется с вами в ближайшее время для формирования заказа

Нажмите, чтобы загрузить файлы или перетащите сюда
Максимальный размер файла - 10 Мб. Типы файлов: jpg, jpeg, png, xls, xlsx, doc, docx, pdf.