Электродвигатели Уралэлектро АДМ 132 трехфазные, монтажное исполнение IM1081, мощность 11кВт, частота вращения ~ 1500об/мин, корпус - алюминий, климатическое исполнение У1
Сортировать по:
актуальности
Поделиться ссылкой на подборку
Артикул: D300-15852
Бренд: Уралэлектро
Страна производитель: Россия
Вариант исполнения электродвигателя: Общепромышленный
Серия электродвигателя: АДМ
Модель: 132
Габарит электродвигателя: 132
Вид ротора: короткозамкнутый
Монтажное исполнение: IM1081
Тип крепления: лапы
Количество полюсов: 4
Мощность: 11.00 кВт
Напряжение: 220В, 380В
Частота вращения: ~ 1500 об/мин
Номинальный ток: 22.9 А
Степень защиты: IP54
Частота: 50 Гц
Коэффициент мощности: 0.83
Класс нагревостойкости изоляции: F
Материал корпуса: Алюминий
Вес: 52.00 кг
Установочный размер: M
Трехфазные асинхронные двигатели общего назначения серии АДМ - широко применяются во многих отраслях промышленности: машиностроении, станкостроении, деревообрабатывающей, сельском хозяйстве, системах водоснабжения, системах вентиляции, подъёмниках, транспортерах и тому подобного. | |||||||||||||||||||||||||||||||||||
Технические параметры электродвигателей Уралэлектро АДМ 132
| Изображение электродвигателей Уралэлектро АДМ 132 | ||||||||||||||||||||||||||||||||||
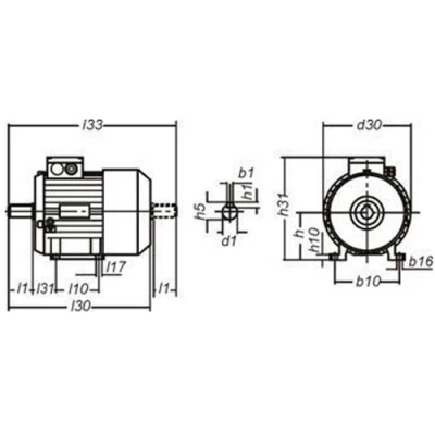
Габариты и размеры электродвигателей Уралэлектро АДМ 132
| Эскиз электродвигателей Уралэлектро АДМ 132 | ||||||||||||||||||||||||||||||||||
Быстрый заказ
Вы можете отправить нам запрос на необходимые позиции и наш менеджер свяжется с вами в ближайшее время для формирования заказа
Нажмите, чтобы загрузить файлы или перетащите сюда
Максимальный размер файла - 10 Мб. Типы файлов: jpg, jpeg, png, xls, xlsx, doc, docx, pdf.
.jpg)
.jpg)

