Электродвигатели бесколлекторные (BLDC) BLF трехфазные, мощность 0.052-2кВт, частота вращения ~3000-4000об/мин, корпус - алюминий

СТМ многоступенчатые насосы 2
СТМ многоступенчатые насосы 2-mobile
КИПиА Акваконтроль 2
КИПиА Акваконтроль 2-mobile

Бесколлекторные электродвигатели конструктивно состоят из ротора с постоянными магнитами и статора с обмотками. Обычно имеют 3 фазы, для контроля скорости используются датчики Холла, напряжение питания 20...100 В. Управляется бесколлекторный электродвигатель специальным 3х фазным драйвером-инвертором, в качестве сигнала обратной связи для поддержания постоянной скорости/момента служат сигналы от датчиков Холла. Область применения бесколлекторных электродвигателей — обеспечение вращения с заданной скоростью или заданным моментом на валу. Бесколлекторные электродвигатели не предназначены для точного позиционирования. При установке энкодера на двигатель можно получить BLDC сервопривод.

Технические параметры электродвигателя бесколлекторного BLF

ХарактеристикаЗначение
Вариант исполнения электродвигателяСинхронный
Тип электродвигателяБесколлекторный (BLDC)
Диапазон рабочих температурот 0 до 50 °C

Изображение электродвигателя бесколлекторного BLF

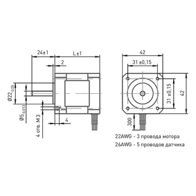
Габариты и размеры электродвигателя бесколлекторного BLF

МодельL, мм
PL86BLF0267
DT80BLF160-3140160
PL110BLF170-630170
PL110BLF110-630110
PL86BLF115-430115
PL86BLF105-430105
PL86BLF90-43090
PL86BLF0494
PL86BLF0381
PL42BLF0263
PL80BLF126-630126
PL57BLF115-230115
PL57BLF101-230101
PL57BLF03101
PL57BLF0279
PL57BLF0159
PL42BLF80-24080
PL42BLF0379

Эскиз электродвигателя бесколлекторного BLF

Быстрый заказ

Вы можете отправить нам запрос на необходимые позиции и наш менеджер свяжется с вами в ближайшее время для формирования заказа

Нажмите, чтобы загрузить файлы или перетащите сюда
Максимальный размер файла - 10 Мб. Типы файлов: jpg, jpeg, png, xls, xlsx, doc, docx, pdf.