Автоматические выключатели дифференциального тока двухполюсные DEKraft ДИФ-103 4.5кА 1P+N (C) ток утечки 300мА, сила тока 50-63А, отключающая способность 4.5кА

Aquaflame 2026 (2)
Aquaflame 2026 (2)-mobile
СТМ многоступенчатые насосы 2
СТМ многоступенчатые насосы 2-mobile
КИПиА Акваконтроль 2
КИПиА Акваконтроль 2-mobile
АВДТ со встроенной защитой от сверхтоков марки DEKraft серии ДИФ-103 обеспечивает следующие виды защиты: от поражения электрическим током при прикосновении к токоведущим частям, находящимся под напряжением или к проводящим частям, которые могут оказаться под напряжением в случае повреждения изоляции, при перегрузках, при коротких замыканиях.

Параметры автоматических выключателей дифференциального тока двухполюсных DEKraft ДИФ-103 4.5кА 2P (1P+N) (C):

Параметр Значение
Категория электрики низковольтная аппаратура
Группа электрики Автоматические выключатели дифференциального тока (АВДТ)
Вид электрики автоматический выключатель дифференциального тока (АВДТ)
Тип изделия Автоматический выключатель
Вид автомата Двухполюсный
Напряжение питания 230В, 400В
Род тока Переменный
Тип утечки АС
Способ монтажа На DIN рейку
Степень защиты IP20
Бренд DEKraft
Страна производитель Китай

Автоматические выключатели дифференциального тока двухполюсные DEKraft ДИФ-103 4.5кА 1P+N (C) ток утечки 300мА, сила тока 50-63А, отключающая способность 4.5кА

Автоматические выключатели дифференциального тока двухполюсные DEKraft ДИФ-103 4.5кА 1P+N (C) ток утечки 300мА, сила тока 50-63А, отключающая способность 4.5кА

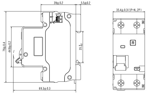
Габаритные размеры автоматических выключателей дифференциального тока двухполюсных DEKraft ДИФ-103 4.5кА 2P (1P+N) (C):

Модель Ширина, мм Высота, мм Глубина, мм
ДИФ-103 4.5кА 2P (1P+N) (C) 69.3 79 35.4
Автоматические выключатели дифференциального тока двухполюсные DEKraft ДИФ-103 4.5кА 1P+N (C) ток утечки 300мА, сила тока 50-63А, отключающая способность 4.5кА

Эскиз габаритных размеров автоматических выключателей дифференциального тока двухполюсных DEKraft ДИФ-103 4.5кА 2P (1P+N) (C)

Быстрый заказ

Вы можете отправить нам запрос на необходимые позиции и наш менеджер свяжется с вами в ближайшее время для формирования заказа

Нажмите, чтобы загрузить файлы или перетащите сюда
Максимальный размер файла - 10 Мб. Типы файлов: jpg, jpeg, png, xls, xlsx, doc, docx, pdf.